3919801
Ano: 2025
Disciplina: Engenharia Civil
Banca: AMEOSC
Orgão: Pref. São Miguel Oeste-SC
Disciplina: Engenharia Civil
Banca: AMEOSC
Orgão: Pref. São Miguel Oeste-SC
Provas:
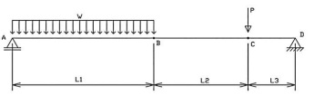
Considere a viga bi-apoiada de L metros de vão de
concreto armado com seção 20x40cm, conforme figura
fora de escala apresentada abaixo. A viga está sujeita,
além de seu peso próprio, a um carregamento distribuído
de W kN/m e uma carga pontual de P kN, conforme
posições da figura. Sabendo que o peso específico do
concreto é de 25kN/m³ então o momento fletor em B é:

