Magna Concursos
Questões
Planos
Entrar
Entrar
Criar Conta
Respondida
3725966
Ano:
2025
Disciplina:
Engenharia Elétrica
Banca:
CESPE / CEBRASPE
Orgão:
CAESB
Provas:
Técnico de Sistemas de Saneamento - Telecomunicação
Provas
×
Circuitos Elétricos
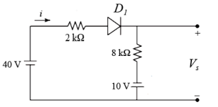
No circuito elétrico precedente, cujo diodo
D
1
é considerado ideal, a potência fornecida pelas duas fontes, em conjunto, e a potência dissipada pelo resistor de 8 kΩ são iguais, respectivamente, a
A
300 mW e 250 mW.
B
300 mW e 200 mW.
C
350 mW e 300 mW.
D
250 mW e 200 mW.
E
200 mW e 150 mW.
Resolver
Comentários
0
×
Cadernos
×
Flashcards
×
Estatísticas
×
Reportar um erro
×
Provas
Questão presente nas seguintes provas
Técnico de Sistemas de Saneamento - Telecomunicação
70 Questões
Resolver Prova
Publicar
Responder
Qual o problema da questão?
Selecione uma opção
Questão Desatualizada
Questão Repetida
Gabarito Errado
Outros Motivos
Mensagem
Enviar
Acessar
Criar Conta
Acesse sua Conta
Google
Facebook
Esqueci minha senha
Acessar
Ainda não tem conta?
Crie uma
!
Crie uma Conta
Criar Conta
Olá, para continuar, precisamos criar uma conta!
É
rápido
e
grátis
.
Google
Facebook
Concordo com os
Termos de Uso
Criar
Já tem uma conta?
Acesse aqui