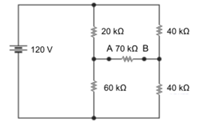
Considere o circuito a seguir:
A fonte de corrente do circuito equivalente de Norton para a carga de 70 kΩ é de aproximadamente
A fonte de corrente do circuito equivalente de Norton para a carga de 70 kΩ é de aproximadamente
Provas
Questão presente nas seguintes provas
Perito Criminal - Engenharia Elétrica ou Física
80 Questões