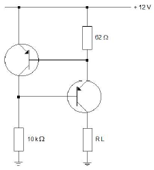
O circuito mostrado abaixo usa transistores de silício onde VBE = 0,7 V e o ganho de corrente é 100.

A corrente fornecida à carga RL é
O circuito mostrado abaixo usa transistores de silício onde VBE = 0,7 V e o ganho de corrente é 100.

A corrente fornecida à carga RL é