Magna Concursos
3742695 Ano: 2025
Disciplina: Engenharia Elétrica
Banca: CESPE / CEBRASPE
Orgão: UnB
Provas:

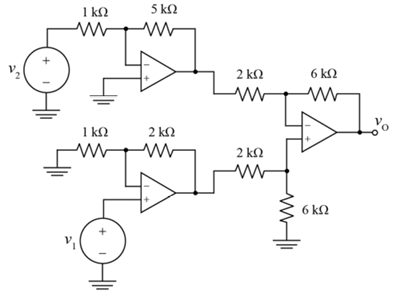
Enunciado 3742695-1

A respeito do circuito precedente, julgue o item a seguir.

Para o circuito apresentado, vO = 9v1 + 15v2.

 

Provas

Questão presente nas seguintes provas

Engenheiro Eletricista

120 Questões