Magna Concursos
3879058 Ano: 2025
Disciplina: Engenharia Elétrica
Banca: UFF
Orgão: UFF
Provas:

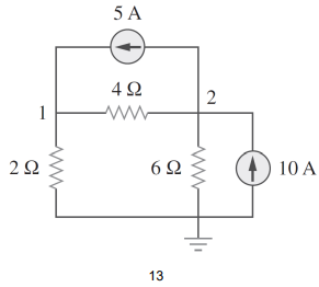
Observe a figura.

Enunciado 4855563-1

O valor da tensão no nó 2 do circuito apresentado é

 

Provas

Questão presente nas seguintes provas