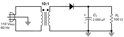
O circuito analógico a seguir representa o diagrama
esquemático simplificado de uma fonte de tensão contínua não
regulada. O transformador possui uma razão de espiras primário
secundário de 10:1, sendo alimentado por uma tensão de
110 VRMS no primário.

Com base nessas informações, julgue o item a seguir.
Um aumento de 10% no valor da capacitância de C1 provocaria um aumento na tensão de ripple na saída da fonte.