Magna Concursos
3643055 Ano: 2016
Disciplina: Geografia
Banca: Marinha
Orgão: Marinha

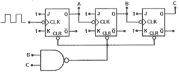
Admitindo-se que as entradas dos flip-flops J-K estejam em nível alto, e Q representa a saída, assinale a opção que apresenta o tipo de contador da figura.

Enunciado 4141479-1

 

Provas

Questão presente nas seguintes provas

Corpo da Armada - Sistema de Armas

50 Questões