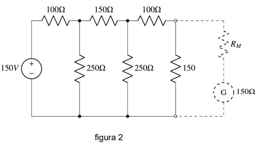
No circuito da figura 2, deseja-se medir a tensão no resistor R6 utilizando um galvanômetro de bobina móvel com calibre de 40mA e resistência interna de 150Ω. A escala utilizada no voltímetro é de 80 VCC. O erro que o galvanômetro apresentará em sua medida é de aproximadamente:
