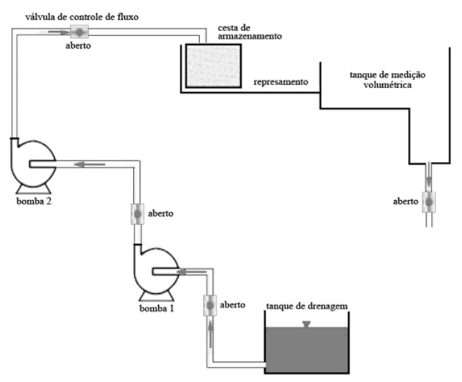
Um sistema hidráulico industrial utiliza duas bombas em série para elevar óleo hidráulico a um reservatório localizado 20 metros acima do nível inferior das bombas, conforme mostra a figura a seguir. A primeira bomba eleva o óleo em 10 metros e possui um rendimento de 85%. A segunda bomba eleva o óleo em mais 10 metros e tem um rendimento de 80%. A vazão do sistema é de 50 litros por minuto e a densidade do óleo é de 850 kg/m³.

Na situação precedente, considerando-se que a aceleração da gravidade seja igual a 10 m/s², a potência total consumida pelas duas bombas será
Provas
Questão presente nas seguintes provas
Técnico de Sistemas de Saneamento - Mecânica
70 Questões