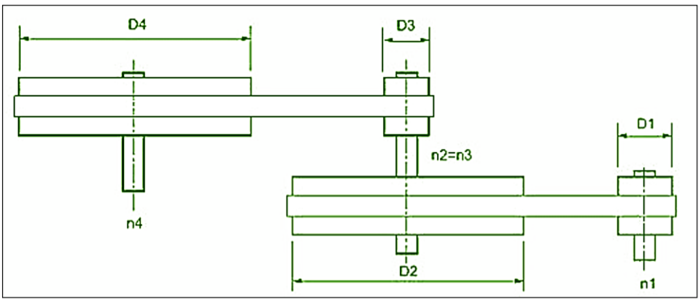
Durante a montagem de um transportador de correias, deparou-se com o sistema de transmissão por quatro polias. O motor elétrico disponibiliza uma rotação de 1.000 rpm no eixo 1. Para conhecer a rotação e a velocidade tangencial da polia 4, que irá girar o tambor do transportador, considere que os diâmetros das polias medem: D1 = 200 mm; D2 = 600 mm; D3 = 150 mm; e, D4 = 600 mm. Observe a imagem a seguir:

Os valores encontrados, respectivamente, foram:
Obs.: Utilizar duas casas decimais.