
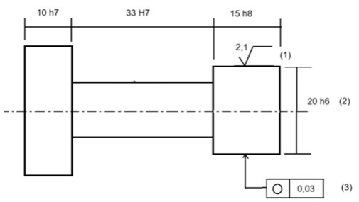
Com base na figura precedente, que mostra as indicações de controle de acabamento inseridas no projeto de peça de uma máquina, assinale a opção que relaciona corretamente a simbologia indicada pelos números (1), (2) e (3) com a respectiva tolerância.
Provas
Questão presente nas seguintes provas
Técnico de Sistemas de Saneamento - Mecânica
70 Questões