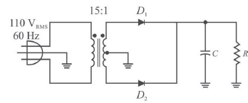
A fonte de alimentação implementada pelo circuito a seguir utiliza um transformador com secundário de tomada central e razão de transformação de 15:1 entre o primário e cada metade do secundário (da tomada central até uma das extremidades), o que resulta em uma razão de 7,5:1 entre o primário e a tensão total entre as extremidades do secundário. Oenrolamento primário recebe uma tensão alternada de 110 VRMS/60 Hz. O circuito conta com dois diodos retificadores comuns (D1 e D2), com queda típica de 0,7 V em condução, um capacitor de filtragem de 1.000 \( \mu \)F e um resistor de carga de 100 Ω.

A partir dessas informações, julgue o item seguinte.
A tensão média sobre o resistor de carga R é maior que 11 V.