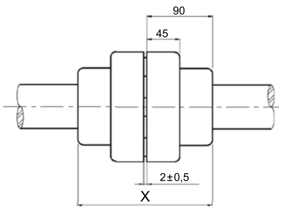
Acoplamentos elásticos são amplamente utilizados para unir eixos de motores a máquinas rotativas movidas, devido à absorção de cargas durante partidas diretas, por exemplo. Observe a figura a seguir.

Sabendo-se que a figura representa o desenho de montagem de um acoplamento elástico, constituído por duas partes perfeitamente iguais, e que as cotas estão indicadas em milímetros, a cota indicada pela letra “X” deve estar situada entre:
Provas
Questão presente nas seguintes provas