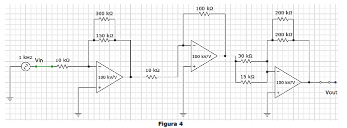
Analise o circuito apresentado na Figura 4 abaixo:

Com base nas informações apresentadas, determine a relação de Vout em função de Vin do circuito.
Analise o circuito apresentado na Figura 4 abaixo:

Com base nas informações apresentadas, determine a relação de Vout em função de Vin do circuito.