Em uma aula prática de laboratório sobre instalações elétricas e segurança, um professor de Física ensina que fusível é um
dispositivo de segurança que abre o circuito quando percorrido por uma corrente elétrica de intensidade igual ou superior
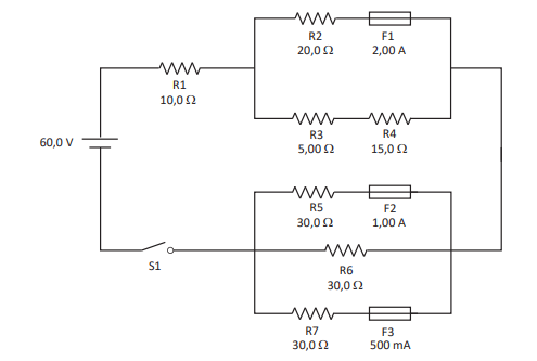
ao seu valor nominal. O professor apresenta como exemplo o circuito esquematizado a seguir.
O sistema é alimentado por uma fonte de tensão contínua ideal de 60 V e contém uma chave S1 inicialmente aberta.
O circuito é protegido por três fusíveis: F1, F2 e F3, cujos valores nominais estão indicados na Figura. Os resistores são
todos ôhmicos, com valores indicados no esquema.
Após o fechamento da chave S1 e aguardado o tempo necessário para que qualquer eventual dispositivo de segurança
atue, a intensidade da corrente em A que atravessa o resistor R1 será de
O sistema é alimentado por uma fonte de tensão contínua ideal de 60 V e contém uma chave S1 inicialmente aberta.
O circuito é protegido por três fusíveis: F1, F2 e F3, cujos valores nominais estão indicados na Figura. Os resistores são
todos ôhmicos, com valores indicados no esquema.
Após o fechamento da chave S1 e aguardado o tempo necessário para que qualquer eventual dispositivo de segurança
atue, a intensidade da corrente em A que atravessa o resistor R1 será de