
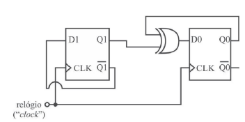
Considerando o circuito precedente, que utiliza dois flip-flops tipo D acionados por borda de subida do sinal de relógio, julgue o item a seguir, assumindo que qualquer controle de PRESET ou de CLEAR esteja adequadamente configurado para permitir operação contínua.
Para os flip-flops corretamente inicializados, se o circuito operar com pulsos de clock contínuos, os estados das saídas (Q1, Q0) a cada borda de subida do relógio evoluirão de forma cíclica na ordem 00 → 10 → 01 → 11 → 00 → ... .