Magna Concursos
3745858 Ano: 2025
Disciplina: Engenharia Elétrica
Banca: FCC
Orgão: TRT-1

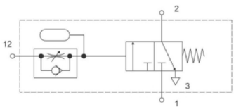
Considere o sistema pneumático a seguir:

Enunciado 4499645-1

A simbologia representa

 

Provas

Questão presente nas seguintes provas

Analista Judiciário - Engenharia Elétrica

60 Questões