Considerar estes valores quando necessário:
√2 = 1,41
√3 = 1,73
\( s \)\( e \)\( n \)(30°) = 1/2
\( s \)\( e \)\( n \)(45°) = √2/2
\( s \)\( e \)\( n \)(60°) = √3/2
\( \pi \) = 3,14
\( c \)\( o \)\( s \)(30°) = √3/2
\( c \)\( o \)\( s \)(45°) = √2/2
\( c \)\( o \)\( s \)(60°) = 1/2
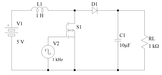
O circuito a seguir apresenta um conversor de potência CC-CC, utilizando um MOSFET (S1) como chave controlada pelo sinal V2. V1 representa a tensão CC de entrada, e a tensão de saída é observada no resistor RL.

Fonte: FUNCERN, 2025.
O sinal de controle V2, por sua vez, é periódico e se comporta tal qual o trecho gráfico apresentado a seguir.

Fonte: FUNCERN, 2025.
Assumindo que o circuito não entra em regime de descontinuidade e que a tensão de limiar (Vt) do Mosfet é suficientemente inferior à tensão máxima de V2, a tensão no resistor RL será, portanto, igual a