Magna Concursos
Questões
Planos
Entrar
Entrar
Criar Conta
Respondida
3746861
Ano:
2025
Disciplina:
Engenharia Eletrônica
Banca:
FUNDATEC
Orgão:
GHC
Provas:
Técnico de Eletrônica
Provas
×
Eletrônica Analógica na Engenharia Eletrônica
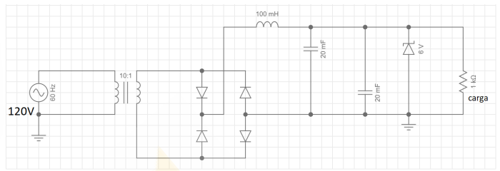
Analise o circuito da figura abaixo e assinale a alternativa correta. Considere que Vz = 6 V e que todos os componentes são ideais.
A
É uma fonte CC com circuito retificador de meia onda e, na carga, a tensão é constante de 12 V.
B
É uma fonte CC com circuito retificador de onda completa em ponte de quatro diodos retificadores e, na carga, a tensão é constante de 6 V.
C
É uma fonte CC com circuito retificador de onda completa com dois diodos retificadores e, na carga, a tensão é constante de 6 V.
D
É uma fonte CC com circuito retificador de meia onda e, na carga, a tensão é constante de 6 V.
E
É uma fonte CC com circuito retificador de onda completa em ponte de quatro diodos retificadores e, na carga, a tensão é constante de 12 V.
Resolver
Comentários
0
×
Cadernos
×
Flashcards
×
Estatísticas
×
Reportar um erro
×
Provas
Questão presente nas seguintes provas
Técnico de Eletrônica
50 Questões
Resolver Prova
Publicar
Responder
Qual o problema da questão?
Selecione uma opção
Questão Desatualizada
Questão Repetida
Gabarito Errado
Outros Motivos
Mensagem
Enviar
Acessar
Criar Conta
Acesse sua Conta
Google
Facebook
Esqueci minha senha
Acessar
Ainda não tem conta?
Crie uma
!
Crie uma Conta
Criar Conta
Olá, para continuar, precisamos criar uma conta!
É
rápido
e
grátis
.
Google
Facebook
Concordo com os
Termos de Uso
Criar
Já tem uma conta?
Acesse aqui