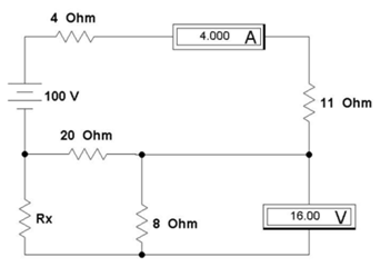
No circuito a seguir, considerando a medição dos
instrumentos (Voltímetro: resistência interna infinita e
Amperímetro: resistência interna "zero") assinale a
alternativa que representa o correto valor do resistor "Rx"


Provas
Questão presente nas seguintes provas