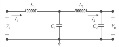
No circuito a seguir, a frequência da fonte de excitação é ω rad/s, as capacitâncias e indutâncias têm valores diferentes entre si (L1 ≠ L2, e C1 ≠ C2) e as variáveis relativas à tensão e à corrente são indicadas na forma fasorial.

A partir das informações fornecidas, julgue os itens que se seguem.
A tensão de saída V0, está adiantada em 90º em relação à corrente I2.