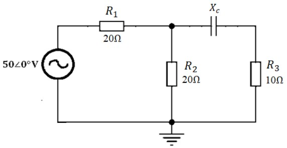
No circuito abaixo, considerando a frequência da fonte de 60Hz, o valor da reatância capacitiva Xc para que a potência dissipada no resistor R3 seja de 10W é de:

No circuito abaixo, considerando a frequência da fonte de 60Hz, o valor da reatância capacitiva Xc para que a potência dissipada no resistor R3 seja de 10W é de:
