Considere o circuito representado a seguir:

O valor da resistência que o resistor indicado por R no circuito deve ter para que a corrente no amperímetro indique 0 A é
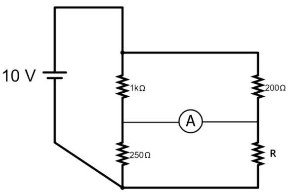
Considere o circuito representado a seguir:

O valor da resistência que o resistor indicado por R no circuito deve ter para que a corrente no amperímetro indique 0 A é