Foram encontradas 50 questões.
Seja um motor de indução trifásico alimentado a partir de uma rede onde ocorre falta de uma das fases. Qual será o comportamento desse motor durante a partida?
Provas
Um moto esmeril monofásico é conectado à rede em sua tensão nominal e ligado por seu interruptor, mas quando se encontra parado não apresenta nenhum sinal de partida. Se algum movimento for imposto ao rebolo antes de sua energização, ao ligar a chave, o motor parte e opera normalmente. Assinale, entre as alternativas a seguir, aquela que indica o provável defeito do moto esmeril.
Provas
Um sistema de medição de média tensão utiliza dois transformadores de potencial (TP) em conexão V/V para medir a tensão primária da rede de alimentação. A relação de transformação de cada transformador é de 120:1. Se a tensão secundária medida entre duas fases é de 110 V, a tensão de linha primária será de:
Provas
Nas redes aéreas de distribuição em média tensão, o dispositivo responsável por limitar o nível de sobretensão em casos de descargas atmosféricas é:
Provas
A instalação de bancos de capacitores em redes de média tensão apresentam por finalidade
Provas
Disciplina: Segurança e Saúde no Trabalho (SST)
Banca: VUNESP
Orgão: CODEN
Para ser considerada adequada às atividades laborais, a vestimenta do trabalhador em eletricidade deve contemplar quais características?
Provas
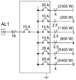
Considere o seguinte diagrama unifilar de um quadro de distribuição:

A respeito do diagrama, é correto afirmar:
Provas
Considere a figura a seguir, que representa a curva de disparo de disjuntores termomagnéticos.

Para proteger adequadamente o circuito alimentador de um motor trifásico que opera com corrente nominal de 55 A, Fator de Potência igual a 0,85 e apresenta relação Ip/In igual a 8, o disjuntor mais adequado dentre as alternativas a seguir é:
Provas
Um salão retangular tem 32 m2 de área. Se o comprimento desse salão é o dobro da sua largura, o perímetro desse salão é de
Provas
Para ter acesso à Internet é necessário utilizar aplicativos específicos, que funcionam como uma ponte entre o usuário e o conteúdo virtual da Internet. Esses aplicativos são conhecidos como navegadores, “web browsers” ou simplesmente “browsers”. São exemplos de navegadores:
Provas
Caderno Container