Foram encontradas 413 questões.
Analise o circuito a seguir.

As potências dissipadas aproximadamente em R1, R2 e R3, correspondem, correta e respectivamente, a:
Provas
Segundo a NBR 5410, os condutores nus utilizados em linhas aéreas externas devem ser instalados de forma que seu ponto mais baixo observe as seguintes alturas mínimas em relação ao solo:
Provas
A figura a seguir, extraída da folha de dados de um driver para motor DC, contém quatro diodos de alta velocidade.

Esses diodos
Provas
Analise o circuito a seguir.

A resistência equivalente corresponde, em Ω, a:
Provas
A ABNT NBR 5419, sob o título geral “Proteção contra descargas atmosféricas”, contém 4 partes. As conexões entre as partes são ilustradas na figura a seguir.

A sigla MPS significa
Provas
Segundo a NBR 5410, em caráter geral, a proteção contra choques elétricos é compreendida em dois tipos: básica e supletiva. Corresponde a um exemplo de proteção supletiva:
Provas
Analise o circuito representado a seguir.

Considerando a polarização dos diodos,
Provas
Considere o circuito a seguir.

A corrente eficaz, em mA, que circula no circuito corresponde a, aproximadamente:
Provas
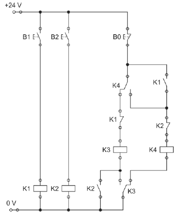
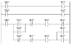
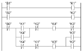
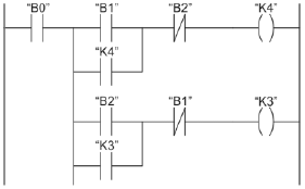
Analise o circuito a seguir, que representa um sistema de partida com reversão.

Considere:
B0 = botão de impulso contato fechado
B1 e B2 = botão de impulso contato aberto
K1 e K2 = contatores auxiliares
K3 e K4 = contatores de potência
Corresponde ao funcionamento correto do circuito de comando representado:
Provas
De acordo com a NBR 5410 que estabelece uma classificação e uma codificação das influencias externas, que devem ser consideradas na concepção e na execução das instalações elétricas, cada condição de influência externa é designada por um código, que compreende sempre um grupo de duas letras maiúsculas e um número. A primeira letra, a segunda letra e o número indicam, respectivamente:
Provas
Caderno Container