Foram encontradas 50 questões.
Provas
Provas
Provas
Provas
Provas
Disciplina: Engenharia Eletrônica
Banca: Avança SP
Orgão: DAE-Santa Bárbara Oeste
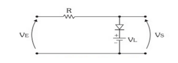
A figura adiante representa um circuito limitador positivo, que tem como função limitar a tensão de saída do circuito num valor predeterminado, podendo ser positivo ou negativo mediante as características do circuito.

Avalie as seguintes asserções e a relação proposta entre elas:
I - considerando-se inicialmente o diodo ideal, se a tensão VE for negativa, o diodo fica reversamente polarizado.
PORQUE
II - a malha funciona como um circuito aberto, fazendo com que VS seja igual a VE.
Provas
Disciplina: Engenharia Eletrônica
Banca: Avança SP
Orgão: DAE-Santa Bárbara Oeste
O principal componente de uma malha de controle é, obviamente, o controlador, que pode ser considerado um dispositivo eletrônico ou um computador.
Interprete as afirmativas a seguir:
I - O sistema de controle Malha Fechada é aquele no qual a ação de controle é independente da saída, portanto a saída não tem efeito na ação de controle.
II - O sistema de controle Malha Aberta é aquele no qual a ação de controle depende da saída, portanto, a saída possui um efeito direto na ação de controle.
III - A realimentação do sistema é o procedimento em que a informação da saída do sistema é utilizada na entrada deste mesmo sistema, sendo esta realimentação, obrigatoriamente, positiva.
É incorreto o que se afirma em:
Provas
Disciplina: Engenharia Eletrônica
Banca: Avança SP
Orgão: DAE-Santa Bárbara Oeste
De acordo com os sinais gráficos particulares padronizados pela norma IEC 61131-3 (figura a seguir) utilizada na linguagem Ladder, a mais empregada internacionalmente para a programação do PLC, interprete as seguintes afirmativas:

I - o sinal (1) representa um contato ON, normalmente aberto.
II - o sinal (2) representa um contato OFF, normalmente fechado.
III - o sinal (3) representa o contato detector de transição negativa (borda de subida).
IV - o sinal (4) representa o contato detector de transição positiva (borda de descida).
V - o sinal (5) representa a variável externa ou interna (saída).
É correto o que se afirma em:
Provas
Disciplina: Engenharia Eletrônica
Banca: Avança SP
Orgão: DAE-Santa Bárbara Oeste
A figura a seguir representa um circuito com transistor ideal, onde a corrente no coletor-emissor (IC) é de:
Dados:
▪ VBB = VCC = 20 V
▪ Resistor Ra = 500 KΩ
▪ Resistor Rb = 500 KΩ
▪ Ganho de corrente βCC = 200

Provas
Disciplina: Engenharia Elétrica
Banca: Avança SP
Orgão: DAE-Santa Bárbara Oeste
De acordo com a figura adiante, é incorreto afirmar que:

Provas
Caderno Container