Foram encontradas 765 questões.
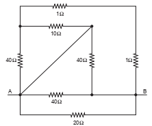
Considere o circuito elétrico abaixo, que envolve a associação de resistores.

O valor da resistência equivalente entre os pontos A e B é, em Ω:
Provas
Em um projeto de instalação elétrica, após a previsão de cargas, obteve-se o gráfico de distribuição das cargas na planta do imóvel, conforme a figura abaixo.

Pelo método do baricentro, o centro de carga fica localizado na coordenada (x, y), em metros,
Provas
Para o projeto do ramal de entrada de uma instalação elétrica residencial, o projetista precisou consultar a tabela fornecida pela concessionária de energia elétrica local, apresentada abaixo.

Considerando que a unidade consumidora tenha sido classificada na categoria de atendimento B (bifásica) e que a corrente de demanda máxima calculada tenha sido de 56 A, é indicado a utilização de
Provas
- Instalações Elétricas
- Gerenciamento de ObrasProjeto e Orçamentação
- Normas TécnicasNBRsNBR 5410: Instalações Elétricas de Baixa Tensão
Considere os três trechos de um diagrama unifilar de uma instalação elétrica predial, conforme abaixo.

Na simbologia utilizada, o trecho
Provas
- Instalações ElétricasEquipamentos em Média Tensão
- Proteção de Sistemas ElétricosProteção em Média Tensão
- Sistemas Elétricos de PotênciaDistribuição de Energia Elétrica
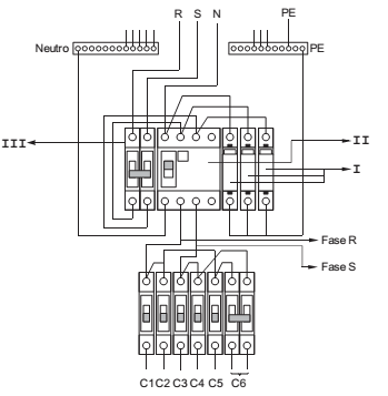
A figura abaixo refere-se ao esquema multifilar do quadro de distribuição de uma instalação elétrica.

Os dispositivos I, II e III são corretamente identificados em
Provas
- Proteção de Sistemas ElétricosProteção em Média Tensão
- Sistemas Elétricos de PotênciaDistribuição de Energia Elétrica
O gráfico abaixo corresponde à curva tempo x corrente de um tipo de disjuntor termomagnético hipotético.

Se o disjuntor tiver corrente nominal igual a
Provas
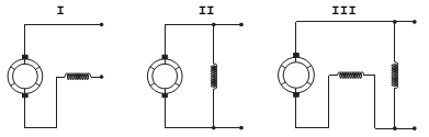
As figuras I, II e III representam três configurações do motor CC.

Caracterizam corretamente os motores:
Provas
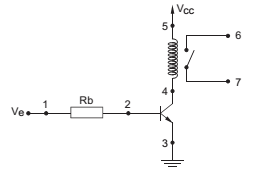
O circuito abaixo é comumente usado para acionamento de relé por meio de um sinal de entrada Ve com baixa capacidade de corrente.

Sabe-se que o relé, na sua desenergização, produz uma força contraeletromotriz que pode atingir níveis elevados, danificando o transistor. Para evitar esse problema, deve-se conectar um
Provas
Considere as figuras abaixo com situações em que se deseja conhecer a corrente solicitada em sistemas 127 V/220 V, com uso de um alicate amperímetro.

A medição está correta APENAS em
Provas
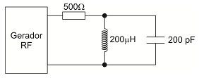
Um circuito eletrônico produz um sinal de radiofrequência senoidal que pode ser ajustado por controle manual entre 100 kHz e 100 MHz. Ele alimenta uma carga composta de uma resistência de 500 Ω em série com duas reatâncias, sendo uma indutiva de 200 μH e outra capacitiva de 200 pF.

Para que a carga tenha comportamento resistivo puro, o circuito deve ter sua frequência ajustada para, aproximadamente,
Provas
Caderno Container