Magna Concursos

Foram encontradas 280 questões.

569411 Ano: 2018
Disciplina: Engenharia Elétrica
Banca: FCC
Orgão: EMAE-SP
Provas:
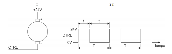
Um sistema especial de bombeamento utiliza um motor corrente contínua com tensão de trabalho 24 V (contínua) para controlar a velocidade de escoamento de um líquido, empregando, no motor, a técnica de controle de potência por PWM (Pulse Width Modulation). O desenho abaixo ilustra o modo de conexão do motor I e o comportamento temporal do sinal de controle CTRL II aplicado em um de seus terminais do motor.
enunciado 569411-1

Considerando que o sinal CTRL seja cíclico, com período T compatível com o sistema (cerca de 1 ms), e que o duty-cicle enunciado 569411-2 a velocidade do motor
 

Provas

Questão presente nas seguintes provas
569410 Ano: 2018
Disciplina: Engenharia Elétrica
Banca: FCC
Orgão: EMAE-SP
Provas:

Um engenheiro efetuou medições de tensões, correntes e potências ativas em um painel de distribuição de baixa tensão com o objetivo de aferir a potência elétrica total consumida pela instalação. Os resultados das medições estão apresentados na tabela abaixo.

enunciado 569410-1

Dado que a instalação possui característica exclusivamente indutiva, a potência reativa total, consumida pela instalação é, em [VAr], igual a

 

Provas

Questão presente nas seguintes provas
569409 Ano: 2018
Disciplina: Engenharia Elétrica
Banca: FCC
Orgão: EMAE-SP
Provas:
Um sistema elétrico interligado em anel, por meio de linhas de transmissão sem perdas, possui quatro barras e em todas as barras há geração e carga. A Tabela I apresenta as potências ativa e reativa produzidas e consumidas em cada barra e a Tabela II apresenta o fluxo de potência em parte desse sistema.
enunciado 569409-1
Sendo que a topologia do anel é barra 10 − barra 20 − barra 30 − barra 40, apresenta corretamente o fluxo de potência ativa da barra 20 para a barra 30 e o fluxo de potência reativa da barra 40 para a barra 30, em [MW] e [MVAr], respectivamente:
 

Provas

Questão presente nas seguintes provas
569408 Ano: 2018
Disciplina: Engenharia Elétrica
Banca: FCC
Orgão: EMAE-SP
Provas:
O engenheiro de manutenção de uma indústria eletromecânica efetuou medições de tensão, corrente e potência ativa no painel de alimentação de uma carga industrial monofásica que consiste em um motor de indução em paralelo com um capacitor para correção do fator de potência. Os dados obtidos estão apresentados na tabela abaixo.
enunciado 569408-1

Dado que o capacitor utilizado é de 250 [microfarads] e que a frequência angular do sistema é 100 [rad/s], o fator de potência do motor é
 

Provas

Questão presente nas seguintes provas
569407 Ano: 2018
Disciplina: Engenharia Elétrica
Banca: FCC
Orgão: EMAE-SP
Provas:

Um excerto de um diagrama elétrico de um sistema de comando e sinalização em uma subestação é apresentado abaixo.

enunciado 569407-1

A respeito desse diagrama,

 

Provas

Questão presente nas seguintes provas
569406 Ano: 2018
Disciplina: Engenharia Elétrica
Banca: FCC
Orgão: EMAE-SP
Provas:

A seguinte figura apresenta uma carga trifásica puramente resistiva e balanceada.

enunciado 569406-1

Os valores das três resistências para a configuração Triângulo equivalente da carga apresentada são, em Ω,

 

Provas

Questão presente nas seguintes provas
569405 Ano: 2018
Disciplina: Engenharia Elétrica
Banca: FCC
Orgão: EMAE-SP
Provas:

Considere o seguinte circuito composto de um capacitor e um resistor.

enunciado 569405-1

O circuito é um filtro

 

Provas

Questão presente nas seguintes provas
569404 Ano: 2018
Disciplina: Engenharia Elétrica
Banca: FCC
Orgão: EMAE-SP
Provas:
Considere as seguintes formas de onda que representam a Tensão e a Corrente sobre uma determinada carga alimentada por uma fonte de tensão pura de corrente alternada
enunciado 569404-1

Com relação às formas de onda, I e II representam correta e respectivamente:
 

Provas

Questão presente nas seguintes provas
569402 Ano: 2018
Disciplina: Engenharia Elétrica
Banca: FCC
Orgão: EMAE-SP
O fenômeno do surgimento de uma corrente elétrica em virtude da variação do fluxo magnético nas proximidades de um condutor, recebe o nome de
 

Provas

Questão presente nas seguintes provas
569401 Ano: 2018
Disciplina: Engenharia Elétrica
Banca: FCC
Orgão: EMAE-SP
A unidade de medida de fluxo magnético e a de densidade de fluxo magnético são, respectivamente,
 

Provas

Questão presente nas seguintes provas