Foram encontradas 1.633 questões.
Pode-se utilizar de vapor como principal fonte de aquecimentos para diversos processos industriais: reatores químicos, trocadores de calor, evaporadores, secadores e inúmeros equipamentos térmicos. Quando uma substância pura está na fase vapor e o vapor na pressão de saturação está a uma temperatura maior do que a correspondente temperatura de saturação, dá-se o nome de vapor:
Provas
Caldeiras de vapor são essencialmente recipientes pressurizados nos quais a água é introduzida e pela aplicação contínua de energia é evaporada. A água evaporada é chamada de vapor, consistindo um dos fluidos de trabalho mais empregados na indústria. Para se individualizar o estado termodinâmico do vapor úmido e conhecer a relação entre a quantidade de vapor e de líquido na mistura, define-se uma grandeza denominada:
Provas
Cavitação é um fenômeno físico de vaporização de um líquido, que consiste na formação de bolhas de vapor pela redução da pressão durante seu movimento, levando à redução do desempenho das bombas. Visando evitar a cavitação em bombas, é correto afirmar que o valor de NPSH:
Provas
Fluidos não newtonianos são aqueles cuja tensão de cisalhamento não é diretamente proporcional à taxa de deformação. Um exemplo de fluido não newtoniano são os fluidos de perfuração de poços de petróleo. Esse tipo de fluido apresenta uma relação linear entre a tensão de cisalhamento e a taxa de deformação, a partir do momento em que se atinge uma tensão de cisalhamento inicial. Esse comportamento é característico dos fluidos:
Provas
Frequentemente, a água é utilizada em processos industriais, sendo necessários alguns tratamentos, para garantir que ela esteja adequada ao uso. A aeração é um processo de transferência de gás usado no tratamento de água. Com a aeração, o oxigênio é dissolvido na água, o que leva à diminuição da concentração de espécies químicas, como:
Provas
A água é largamente utilizada em vários processos como agente de resfriamento, pois ela apresenta um calor específico relativamente elevado, tornando-a própria para as operações de resfriamento. Com relação aos processos de resfriamento da água em uma torre ou equipamento similar, pode-se afirmar que ocorre transferência de calor:
Provas
A figura abaixo apresenta um processo contínuo em estado estacionário com duas unidades de processamento, no qual existem três correntes (a, b e c) cujas vazões são: ṁa, ṁb e ṁc. Porém, a composição de cada uma das correntes é desconhecida.

A vazão mássica da corrente b e a quantidade de A nessa corrente são, respectivamente:
Provas
Um fluxo de ar na condição padrão (P = 101 kPa, T = 15°C) entra em um compressor a 75 m/s, conforme apresentado na figura abaixo. O ar sai do compressor com uma velocidade de 125 m/s, à pressão e temperatura absolutas de 200 kPa e 345 ºK, respectivamente. A vazão em massa é de 1 kg/s. A água de refrigeração que circula em volta da carcaça do compressor remove 18 kJ/kg de ar.

Sendo que:
- o regime é permanente;
- somente o trabalho do eixo está presente;
- o ar se comporta como gás ideal !$ (\Delta h = c_p\delta T) !$ e
- as variações no parâmetro z são desprezíveis.
Dados:
- !$ c_p=1\, KJ/kg.K !$
- conservação da massa: !$ 0=\dfrac{\delta}{\delta t} \int\limits_{VC} \rho d \forall + \int\limits_{SC} \rho\vec{V}. d\vec{A} !$
- conservação de energia: !$ \dot{Q}-\dot{W}_{eixo}-\dot{W}_{cisalhamento} - \dot{W}_{outros}= \dfrac{\delta}{\delta t} \int\limits_{VC} e\rho d \forall + \int\limits_{SC}(u+\dfrac{v^2}{2}+gz+pv)\rho\vec{V}.d\vec{A} !$
Onde é o calor do sistema, Ẇeixo o trabalho realizado pelo eixo, Ẇcisalhamento o trabalho realizado por tensões cisalhantes, Ẇoutros o trabalho realizado outros por meios, !$ u !$ a energia interna, p a pressão no fluido, ...o volume do fluido, g a gravidade, z a altura do fluido, v a velocidade do fluido, h a entalpia do fluido, T temperatura do fluido, cp a capacidade térmica. A potência requerida pelo compressor é de:
Provas
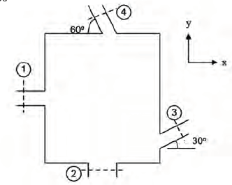
A água (!$ \rho !$ = 1000 kg/m³) escoa de modo permanente através do dispositivo abaixo. As áreas são: A1= 1 0,2 m², A2 = 0,5 m² e A3 = A4 = 0,4 m². A vazão em massa através da área 3 é dada como 0,4 kg/s. A vazão em volume entrando pela área 4 é de 0,1 m³/s, e a velocidade da água na área 1 é de !$ \vec{V}_1=1,0\hat{i} !$ m/s. O escoamento é permanente e incompressível e as propriedades do fluido são uniformes em cada seção em que este cruza as fronteiras do Volume de Controle. Sabe-se que o princípio de conservação de massa para um dado Volume de Controle é representado por: !$ 0=\dfrac{\delta}{\delta t}\int\limits_{VC}\rho d\forall + \int\limits_{SC}\rho \vec{V}. d\vec{A} !$

Sabendo que !$ \forall !$ é o volume do fluido no Volume de Controle e t é tempo, a vazão mássica que passa pela área 2 é de:
Provas
O princípio físico em que está baseado o funcionamento do medidor de temperatura denominado de termopar é o:
Provas
Caderno Container