Foram encontradas 40 questões.
Em conformidade com a Lei 9.394, o Ensino Médio, etapa final da Educação Básica, com duração mínima de três anos, terá como finalidades:
( ) a consolidação e o aprofundamento dos conhecimentos adquiridos no ensino fundamental, possibilitando o prosseguimento de estudos.
( ) a preparação básica para o trabalho e a cidadania do educando, para continuar aprendendo, de modo a ser capaz de se adaptar com flexibilidade a novas condições de ocupação ou aperfeiçoamentos posteriores.
( ) o aprimoramento do educando como pessoa humana, incluindo a formação ética e o desenvolvimento da autonomia intelectual e do pensamento crítico.
( ) a compreensão dos fundamentos científico-tecnológicos dos processos produtivos, relacionando a teoria com a prática, no ensino de cada disciplina.
Provas
Um transformador tem seu princípio de funcionamento baseado na indução eletromagnética, onde um circuito quando submetido a um campo magnético variável é percorrido por uma corrente elétrica de intensidade proporcional às variações do fluxo magnético. A figura abaixo mostra a estrutura básica de um transformador. Com relação aos fundamentos do princípio de funcionamento do transformador, marque a alternativa CORRETA:

Provas
Sobre o motor de indução trifásico marque a alternativa que MELHOR caracteriza este equipamento:
Provas
Assinale a opção que descreve CORRETAMENTE a característica de uma máquina síncrona:
Provas
A tensão induzida em uma espira quando um campo magnético se move através de um fio ou quando um fio se move através de um campo magnético é possível graças ao fenômeno conhecido como indução eletromagnética. Uma aplicação prática do efeito deste fenômeno é o funcionamento gerador elétrico, o qual é mostrado na figura abaixo. Sobre os aspectos relacionados à indução eletromagnética presente no funcionamento de um gerador elétrico é CORRETO afirmar que:

Provas
Considere a existência de um fluxo magnético de 800 μWb através de uma área de 0,0002 m2. Assinale a alternativa na qual consta o valor da densidade de fluxo (em teslas) para esta condição:
Provas
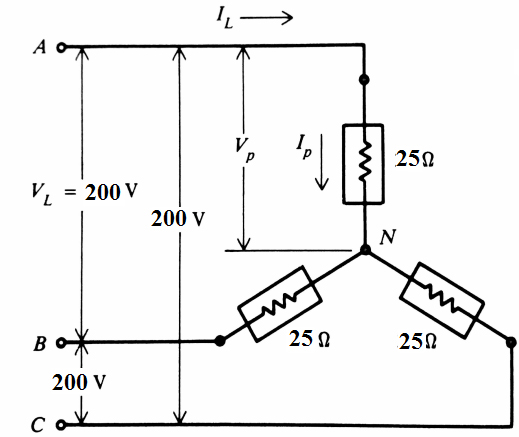
A figura a seguir mostra um circuito em Y equilibrado, o qual possui uma carga de 25 Ohms em cada fase operando com um FP unitário. A tensão de linha do circuito equivale a 200 V, como mostra a figura abaixo. A partir dessas considerações, assinale a alternativa que contém, respectivamente, os valores aproximados da corrente de linha, da corrente de fase e da potência consumida pelas três cargas.

Provas
Ao realizar a simplificação da expressão z = ABC + AB!$ \overline{C} !$ + A!$ \overline{B} !$ C, tem-se como resultado:
Provas
Suponha que em uma dada instalação industrial foi realizada a correção de potência reativa empregando um banco capacitivo, almejando elevar o fator de potência da indústria para acima de 0,92 ind. No entanto, após a instalação do banco capacitivo, o transformador que alimenta a indústria apresentou um aquecimento bem acima do normal, mesmo com o carregamento dele estando abaixo do nominal e com regulação de tensão em torno de 2%. Com base nessa observação, é possível afirmar que o problema está relacionado com:
Provas
Assinale a opção que apresenta a definição mais específica e completa do mapa de Karnaugh.
Provas
Caderno Container