Foram encontradas 3.478 questões.
Um sistema apresenta a resposta ao degrau unitário mostrada na figura abaixo.

Com base nessa figura, conclui-se que o tempo de subida, tempo de pico, tempo de acomodação (critério de 5%) e o percentual de ultrapassagem valem, respectivamente,
Provas
Para a realização de um projeto, foi construída a rede da figura abaixo, que mostra as atividades, o tempo de realização de cada atividade, em dias, e a relação de precedência.

A partir da análise da rede da figura, conclui-se que o comprimento do caminho crítico é de 40 dias. Então, o tempo final mais tarde LFH da atividade H é de
Provas

Durante o processo de calibração de uma célula de carga de 100 kgf, um técnico obteve a curva da figura acima. Considerando o resultado da calibração, qual o valor da força para uma leitura de 2 V?
Provas
Uma das especificações presentes na Norma ASME B.31 para tubulações é
Provas
O ar comprimido é amplamente empregado em instrumentação e automação. Sobre os tipos de tubulações empregadas em linhas para a transmissão de sinais, considere as afirmativas abaixo.
I - Utiliza-se aço-carbono (ASTM A 53 ou API5L) para tubos de diâmetro 2", com margem para corrosão de 1,2 mm e extremidade de solda de topo para tubulações de alta pressão.
II - Utiliza-se aço-carbono (ASTM A120 ou A134), com margem para corrosão de 1,2 mm para tubulações de baixa pressão.
III - Em todas as tubulações de ar comprimido existe o problema da drenagem da água proveniente da umidade que se condensa pelo resfriamento do ar ou que se forma quando o fluxo no sistema é interrompido.
IV - Essas tubulações costumam ser construídas com tubos de alumínio, cobre, latão ou materiais plásticos, sendo que os diâmetros dos tubos são sempre pequenos e as pressões, muito baixas.
São corretas APENAS as afirmativas
Provas
Sobre calibração e rastreabilidade de instrumentos, analise as afirmativas a seguir.
I - Rastreabilidade é uma propriedade do resultado de uma medição ou do valor de um padrão estar relacionado a referências estabelecidas.
II - Deriva ou drift é o erro sistemático da indicação de um instrumento de medição.
III - Erro fiducial é o erro de um instrumento de medição multiplicado por um valor especifico para o instrumento, por exemplo, a amplitude da faixa nominal.
IV - Exatidão de medição é o grau de concordância entre os resultados de medições sucessivas de um mesmo mensurando efetuadas sob as mesmas condições de medição.
É correto APENAS o que se afirma em
Provas

As medidas indicadas nos instrumentos ilustrados nas figuras acima são:
|
Paquímetro |
Goniômetro |
Relógio Comparador |
Provas

No quadro acima, são apresentadas algumas das representações de válvulas além de outros componentes utilizados para o desenho isométrico de tubulações industriais. Cada uma dessas válvulas corresponde, respectivamente, a
| I | II | III | IV | V |
Provas

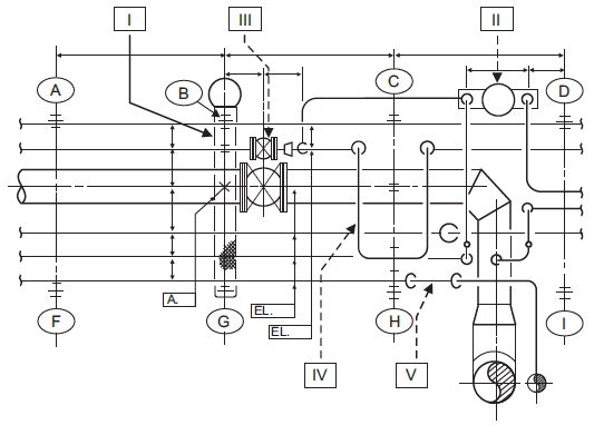
Os 5 elementos identificados na planta de tubulações ilustrada acima correspondem, respectivamente, à(ao)
|
I |
II | III | IV |
V |
Provas
Um gabarito de referência tem valor nominal de 15,70 mm e erro máximo admissível especificado pelo fabricante de ± 0,2 mm. Qual o valor aproximado, em mm, da incerteza padrão?
Provas
Caderno Container