Foram encontradas 2.327 questões.
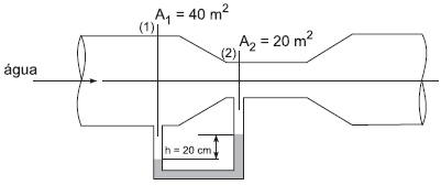
A figura acima ilustra um escoamento em regime permanente em um Venturi. Considere que o fluido manométrico é o mercúrio e que os pesos específicos envolvidos no problema valem e !$ γ_{água}=10.000 , N/m^3 !$. Supondo as perdas por atrito desprezíveis, propriedades uniformes nas seções e !$ g=10 , m/s^2 !$, para a velocidade da água, em m/s, obtém-se na seção 2
Provas
Questão presente nas seguintes provas
Em relação a algumas características dos fluidos, analise as afirmativas a seguir.
I - Os fluidos newtonianos são aqueles em que a tensão de cisalhamento é diretamente proporcional à taxa de deformação.
II - A lei de Newton da viscosidade para um escoamento unidimensional é dada por !$ au_{yx}=mu large{du over dy} !$, onde !$ au !$ é a tensão de cisalhamento, u é a velocidade e !$ mu !$ é a viscosidade cinemática.
III - Nos líquidos, a viscosidade aumenta com o aumento da temperatura, enquanto, nos gases, a viscosidade diminui com o aumento da temperatura.
IV - Um fluido que se comporta como um sólido até que uma tensão limítrofe seja excedida e, em seguida, exibe uma relação linear entre a tensão de cisalhamento e a taxa de deformação, é denominado plástico de Bingham ou plástico ideal.
Estão corretas APENAS as afirmativas
Provas
Questão presente nas seguintes provas
Entre os grupos adimensionais importantes na mecânica dos fluidos estão o número de Weber e o número de Mach, que correspondem, respectivamente, à razão entre as forças de
Provas
Questão presente nas seguintes provas

Em um escoamento supersônico divergente, conforme a figura acima, tem-se
Provas
Questão presente nas seguintes provas
Um pesquisador de engenharia afirma ter criado uma unidade de refrigeração, com coeficiente de desempenho de 5,5, capaz de manter um espaço refrigerado a -33 ºC, enquanto o ambiente externo está a 7 ºC. Teoricamente, a invenção do pesquisador é
Provas
Questão presente nas seguintes provas
Um laboratório de uma universidade situada em um país frio deve ser mantido a 37 ºC, com o auxílio de uma bomba de calor. Quando a temperatura do exterior cai para 6 ºC, a taxa de energia perdida do laboratório para o exterior corresponde a 30 kW. Considerando-se regime permanente, a potência elétrica mínima necessária para acionar a bomba de calor, vale, em kW, aproximadamente
Provas
Questão presente nas seguintes provas
Um tanque rígido de 0,9 m3 contém um gás ideal a p1 = 0,5 MPa e T1 = 500 K. Após um vazamento de 0,5 kg do gás, chegou-se a p2 = 400 kPa. Considerando R = 0,3 kJ/kg.K, a temperatura T2, em K, vale
Provas
Questão presente nas seguintes provas
Um compressor que opera em regime permanente é alimentado com ar a pressão p1 e a temperatura T1, descarregando o fluido a p2 e T2. O fluxo de massa de ar é de 0,1 kg/s, ocorrendo uma perda de calor de 20 kJ/kg durante o processo. Considerando desprezíveis as variações das energias cinética e potencial, a entalpia, na entrada do compressor, como 300 kJ/kg e, na saída como 500 kJ/kg, a potência !$ leftvert dot{w}
ightvert !$ do compressor, em kW, vale
Provas
Questão presente nas seguintes provas
Um grupo de estudos buscou nas tabelas de um livro de termodinâmica o valor da energia interna de uma determinada substância que se encontra no estado de vapor superaquecido. O grupo obteve a informação de que alguns livros não fornecem os valores da energia interna específica u na região do vapor superaquecido, uma vez que essa propriedade pode ser rapidamente calculada por meio de uma expressão que utiliza outras propriedades fornecidas na tabela. O grupo verificou que esse era o caso. Considerando h como a entalpia, p a pressão e v o volume específico, o grupo aplicou, para obter u, a expressão
Provas
Questão presente nas seguintes provas
No ensaio de estampagem profunda de chapas finas, a altura máxima do copo obtido bem como a posição e o tamanho de suas orelhas dependem da textura cristalográfica das chapas. Do ponto de vista mecânico, essas duas variáveis estão relacionadas, respectivamente, ao(à)
Provas
Questão presente nas seguintes provas
Cadernos
Caderno Container