Foram encontradas 1.977 questões.
- Transformadores e Máquinas ElétricasPrincípios BásicosPerdas, rendimento, torque, potência, ângulo de potência e funcionamento geral
Um motor de indução trifásico de 135 kW, em plena carga, opera com eficiência de 90% e um fator de potência de \( \dfrac{\sqrt{3}}{2} \) indutivo. O motor é alimentado por uma tensão eficaz de linha de 440 V. Nessas condições, qual é o módulo da corrente de linha do motor?
Provas
No circuito elétrico representado pela figura a seguir, uma fonte de tensão alternada alimenta uma lâmpada incandescente de 100 W / 200 V, através de um indutor de 1000 mH.

A corrente i nesse circuito é, aproximadamente,
Provas
No circuito elétrico da figura a seguir todos os componentes são ideais.

Qual é a tensão VR2, no resistor R2, em volts?
Provas
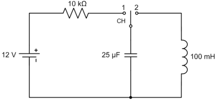
No circuito elétrico da figura a seguir, todos os componentes são ideais e a chave CH está, inicialmente, desligada.

Na primeira etapa de funcionamento do circuito, a chave CH é colocada na posição 1, onde permanece até o final do regime transitório. Na segunda etapa, a chave CH é transferida da posição 1 para a posição 2. Após essas duas etapas, a forma de onda da corrente elétrica que circula pelo indutor é uma
Provas
Disciplina: Segurança e Saúde no Trabalho (SST)
Banca: UFG
Orgão: Pref. Goiânia-GO
Segundo a NR 18 – que trata da segurança e saúde no trabalho na indústria da construção –, é proibido trabalhar em plataforma de trabalho sobre cavaletes que possuam altura superior a
Provas
Disciplina: Segurança e Saúde no Trabalho (SST)
Banca: UFG
Orgão: Pref. Goiânia-GO
Segundo a NR 18 – que trata da segurança e saúde no trabalho na indústria da construção –, devem ser protegidas com taludes ou escoramentos as escavações com profundidade superior a
Provas
A projeção da cobertura de um galpão retangular, que possui um dos lados igual ao dobro do outro, foi desenhada na escala 1:75. Sabendo-se que a área correspondente ao desenho é de 1800 cm², as dimensões reais, em metros, da referida projeção são iguais a
Provas
Em um desenho técnico, a representação do contorno de partes não incluídas no projeto deve ser com linhas do tipo
Provas
- Gerenciamento, Planejamento e Controle de Obras
- Normas e LegislaçõesLicitações e Contratos da Administração Pública
Para uma obra ou serviço, as informações que possibilitem o estudo e a definição de métodos construtivos e de instalações provisórias devem estar contidas a partir do
Provas
A fase preparatória de um processo licitatório é caracterizada pelo planejamento e é nessa fase que já se deve ter o orçamento
Provas
Caderno Container