Foram encontradas 50 questões.
A correção do fator de potência é largamente
aplicada nos processos industriais em que
há a presença de acionamento de cargas
indutivas. De acordo com as definições de
Correção de Fator de Potência, assinale a
alternativa correta.
Provas
Questão presente nas seguintes provas
Em acionamentos de máquinas elétricas
alimentadas em corrente alternada é
fundamental ao técnico eletrotécnico a
interpretação dos efeitos relacionados ao
comportamento das fases e o ângulo entre
elas, fator este que pode resultar na inversão
do sentido de giro do eixo de um motor.
De acordo com os conceitos de corrente
alternada monofásica e trifásica, assinale a
alternativa correta.
Provas
Questão presente nas seguintes provas
Diversos equipamentos atualmente utilizados nas indústrias e residência dependem de um fenômeno descoberto em 1831 por Michael Faraday denominado “Indução Eletromagnética”. Desde então, ocorreu uma revolução na geração de energia elétrica e no acionamento de máquinas. De acordo com os conceitos de “Eletromagnetismo”, assinale a alternativa correta.
Provas
Questão presente nas seguintes provas
Analise a Figura 12 e assinale a alternativa correta.

Provas
Questão presente nas seguintes provas
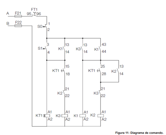
Sobre a Figura 11, que mostra o comando de motor trifásico, assinale a alternativa correta.


Provas
Questão presente nas seguintes provas
- EletrotécnicaCircuitos de Corrente Contínua em Eletrotécnica
- EletrotécnicaCircuitos Elétricos em Eletrotécnica
De acordo com a ligação do motor mostrado
na Figura 10, assinale a alternativa correta.


Provas
Questão presente nas seguintes provas
De acordo com a Figura 9 da Norma Brasileira
NBR 5410 - Instalações elétricas de baixa
tensão, assinale a alternativa correta.


Provas
Questão presente nas seguintes provas
De acordo com as definições de simbologia
elétrica em vigor no Brasil e da análise da
Figura 8, assinale a alternativa correta.


Provas
Questão presente nas seguintes provas
O diagrama da Figura 6 representa a malha de controle e instrumentação de um dado
processo industrial, em que o técnico em Eletrotécnica deve interpretar e reconhecer
suas características. De acordo com a Figura 6, assinale a alternativa correta:


Provas
Questão presente nas seguintes provas
Os comandos elétricos de motores geralmente são dotados de sistemas de proteção contra
sobrecarga, curto-circuito e falta de fase. De acordo com a Figura 5, assinale a alternativa correta.


Provas
Questão presente nas seguintes provas
Cadernos
Caderno Container