Foram encontradas 859 questões.
- Instalações ElétricasEquipamentos em Média Tensão
- Sistemas Elétricos de PotênciaDistribuição de Energia Elétrica
Analise as seguintes afirmativas referentes ao projeto de
instalações elétricas, assinalando com V as verdadeiras
e com F as falsas.
( ) Na cozinha, atribui-se no mínimo 600 VA por ponto de tomada, até três tomadas, e 100 VA por ponto de tomada excedente. ( ) A iluminação em áreas externas segue os mesmos critérios para o cálculo da iluminação de cômodos ou dependências da residência. ( ) Os pontos das tomadas de uso específico são localizados no máximo a 1,5 metros do ponto previsto para a localização do equipamento. ( ) No quadro de distribuição, encontram-se instalados: DTM, DR, DPS, e os barramentos: de neutro, de terra e de interligações das fases.
Assinale a sequência correta.
( ) Na cozinha, atribui-se no mínimo 600 VA por ponto de tomada, até três tomadas, e 100 VA por ponto de tomada excedente. ( ) A iluminação em áreas externas segue os mesmos critérios para o cálculo da iluminação de cômodos ou dependências da residência. ( ) Os pontos das tomadas de uso específico são localizados no máximo a 1,5 metros do ponto previsto para a localização do equipamento. ( ) No quadro de distribuição, encontram-se instalados: DTM, DR, DPS, e os barramentos: de neutro, de terra e de interligações das fases.
Assinale a sequência correta.
Provas
Questão presente nas seguintes provas
Analise o circuito a seguir em que três pontas de prova (PB) foram inseridas para medidas de tensão e corrente.

Após análise desse circuito, é correto afirmar:

Após análise desse circuito, é correto afirmar:
Provas
Questão presente nas seguintes provas
Analise a seguir a placa de identificação de um motor.

Após analise dessa placa de identificação, é correto afirmar:

Após analise dessa placa de identificação, é correto afirmar:
Provas
Questão presente nas seguintes provas
Observe a associação de indutores a seguir,
considerando um coeficiente de acoplamento igual a 0,6.

A indutância total dessa associação é igual a

A indutância total dessa associação é igual a
Provas
Questão presente nas seguintes provas
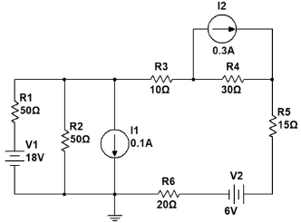
Observe o circuito a seguir.

Nesse circuito, a queda de tensão sobre o resistor R6 é igual a

Nesse circuito, a queda de tensão sobre o resistor R6 é igual a
Provas
Questão presente nas seguintes provas
Observe as formas de onda obtidas por um osciloscópio.

Após análise, pode-se afirmar:

Após análise, pode-se afirmar:
Provas
Questão presente nas seguintes provas
A partir da classificação dos tipos de manutenção,
relacione a COLUNA II com a COLUNA I, de acordo com
a atitude dos usuários em relação às falhas.
COLUNA I 1. Reativa 2. Preditiva 3. Detectiva 4. Preventiva 5. Proativa 6. Produtiva
COLUNA II ( ) Garante a melhor utilização e a maior produtividade dos equipamentos. ( ) Otimiza o processo e o projeto de novos equipamentos, em atitude de melhoria contínua. ( ) Destina-se a corrigir falhas que já tenham ocorrido. ( ) Identifica falhas que já tenham ocorrido, mas que não sejam percebidas. ( ) Busca antecipação da falha, medindo parâmetros que indiquem sua evolução a tempo de serem corrigidas. ( ) Tem o propósito de evitar as consequências das falhas.
Assinale a sequência correta.
COLUNA I 1. Reativa 2. Preditiva 3. Detectiva 4. Preventiva 5. Proativa 6. Produtiva
COLUNA II ( ) Garante a melhor utilização e a maior produtividade dos equipamentos. ( ) Otimiza o processo e o projeto de novos equipamentos, em atitude de melhoria contínua. ( ) Destina-se a corrigir falhas que já tenham ocorrido. ( ) Identifica falhas que já tenham ocorrido, mas que não sejam percebidas. ( ) Busca antecipação da falha, medindo parâmetros que indiquem sua evolução a tempo de serem corrigidas. ( ) Tem o propósito de evitar as consequências das falhas.
Assinale a sequência correta.
Provas
Questão presente nas seguintes provas
Com relação à execução de estruturas de coberturas,
assinale a alternativa incorreta.
Provas
Questão presente nas seguintes provas
O engenheiro alemão Otto Mohr, no final do século XIX, descobriu que as equações representativas do estado plano de tensões em um ponto têm uma representação gráfica conveniente, designada em homenagem a ele como círculo de Mohr.
Com relação ao círculo de Mohr, é incorreto afirmar:
Provas
Questão presente nas seguintes provas
- Arquitetura na Engenharia Civil
- Normas e LegislaçõesNBRsNBR 9.050: Acessibilidade na Construção Civil
Com relação à norma NBR 9.050 – Acessibilidade
a edificações, mobiliário, espaços e equipamentos
urbanos, assinale a alternativa incorreta.
Provas
Questão presente nas seguintes provas
Cadernos
Caderno Container