Magna Concursos

Foram encontradas 620 questões.

2690275 Ano: 2023
Disciplina: Arquitetura
Banca: CESPE / CEBRASPE
Orgão: Pref. São Cristóvão-SE
Provas:
A condução de todo o processo de contratação de obra gira em torno da avaliação dos custos de sua execução, que podem ser estimados por diversos métodos, cada qual com nível de precisão próprio. A avaliação de menor custo que permite que o gestor analise inicialmente a conveniência do investimento ou a inviabilidade da obra denomina-se
 

Provas

Questão presente nas seguintes provas
2690274 Ano: 2023
Disciplina: Arquitetura
Banca: CESPE / CEBRASPE
Orgão: Pref. São Cristóvão-SE
Provas:
Assinale a opção que corresponde à parcela do custo de serviço que não pode ser associada de forma proporcional às quantidades produzidas.
 

Provas

Questão presente nas seguintes provas
2690273 Ano: 2023
Disciplina: Arquitetura
Banca: CESPE / CEBRASPE
Orgão: Pref. São Cristóvão-SE
Provas:
No banheiro de um canteiro de obras, o número mínimo de chuveiros, para um grupo de 10 trabalhadores, é igual a
 

Provas

Questão presente nas seguintes provas
2690272 Ano: 2023
Disciplina: Arquitetura
Banca: CESPE / CEBRASPE
Orgão: Pref. São Cristóvão-SE
Provas:
Em uma obra de instalação de estradas de ferro, o tipo de canteiro de obra mais indicado é o
 

Provas

Questão presente nas seguintes provas
2690271 Ano: 2023
Disciplina: Arquitetura
Banca: CESPE / CEBRASPE
Orgão: Pref. São Cristóvão-SE
Provas:
De acordo com a Resolução CAU n.º 21/2012, o estudo que contempla os efeitos positivos e negativos de um empreendimento ou atividade no que se refere à qualidade de vida da população residente em certa área denomina-se
 

Provas

Questão presente nas seguintes provas
2690270 Ano: 2023
Disciplina: Arquitetura
Banca: CESPE / CEBRASPE
Orgão: Pref. São Cristóvão-SE
Provas:
Segundo a Resolução CAU n.º 21/2012, o projeto de conforto ambiental que abrange o conjunto de regras e procedimentos relacionados à organização do ambiente de trabalho e suas interações entre ser humano, máquinas e equipamentos é o
 

Provas

Questão presente nas seguintes provas
2690269 Ano: 2023
Disciplina: Arquitetura
Banca: CESPE / CEBRASPE
Orgão: Pref. São Cristóvão-SE
Provas:
Assinale a opção em que são apresentadas sansões disciplinares previstas na Lei n.º 12.378/2010.
 

Provas

Questão presente nas seguintes provas
2690268 Ano: 2023
Disciplina: Arquitetura
Banca: CESPE / CEBRASPE
Orgão: Pref. São Cristóvão-SE
Provas:
Assinale a opção correspondente a atividade do campo de atuação de arquitetos e urbanistas relacionada às patologias.
 

Provas

Questão presente nas seguintes provas
2690267 Ano: 2023
Disciplina: Arquitetura
Banca: CESPE / CEBRASPE
Orgão: Pref. São Cristóvão-SE
Provas:
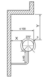
A figura a seguir expressa a empunhadura de objetos como corrimãos e barras de apoio, que devem manter um afastamento mínimo da parede ou de outro obstáculo, indicado na figura por X e, quando estiverem em nichos, devem também prever uma distância mínima livre, indicado na figura por Y.
Enunciado 3396087-1
De acordo com a NBR n.º 9.050:2015, os valores mínimos de X e Y correspondem, respectivamente, a
 

Provas

Questão presente nas seguintes provas
2690266 Ano: 2023
Disciplina: Arquitetura
Banca: CESPE / CEBRASPE
Orgão: Pref. São Cristóvão-SE
Provas:
Com respeito ao projeto, dimensionamento e execução de corrimãos em edifícios públicos, assinale a opção correta.
 

Provas

Questão presente nas seguintes provas