Foram encontradas 35 questões.
Disciplina: Engenharia Mecânica
Banca: SELECON
Orgão: SAAE Lucas do Rio Verde-MT
O conjunto de tratamento térmico que tem como objetivo aumentar a resistência mecânica do aço, garantindo um ganho na tenacidade, é formado por:
Provas
Em desenho técnico, são utilizadas convenções para facilitar a interpretação e para evitar erros. Observe-se a figura a seguir:

De acordo com o que foi estabelecido, a figura acima:
Provas
Disciplina: Engenharia Mecânica
Banca: SELECON
Orgão: SAAE Lucas do Rio Verde-MT
A propriedade mecânica avaliada em um ensaio de compressão de materiais frágeis é o limite de:
Provas
Disciplina: Engenharia Mecânica
Banca: SELECON
Orgão: SAAE Lucas do Rio Verde-MT
Um motor tem uma polia de 200 mm de diâmetro rotacionando a uma velocidade de 1200 rpm, que move um eixo de transmissão em que a polia mede 400 mm de diâmetro. A rotação desse eixo será:
Provas
Disciplina: Engenharia Mecânica
Banca: SELECON
Orgão: SAAE Lucas do Rio Verde-MT
Durante o processo de soldagem, os gases gerados na fusão do eletrodo revestido têm como função proteger a:
Provas
Disciplina: Engenharia Mecânica
Banca: SELECON
Orgão: SAAE Lucas do Rio Verde-MT
- Materiais de Construção MecânicaPropriedades e Comportamentos dos Materiais
- Mecânica dos SólidosMateriais para Ferramentas
Sendo a dureza o fator primordial no processo fabril de ferramentas de corte, os principais materiais utilizados em sua fabricação são:
Provas
Disciplina: Engenharia Eletrônica
Banca: SELECON
Orgão: SAAE Lucas do Rio Verde-MT
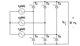
A figura a seguir representa um retificador.

Tal retificador é do tipo:
Provas
Disciplina: Engenharia Mecânica
Banca: SELECON
Orgão: SAAE Lucas do Rio Verde-MT
A figura a seguir apresenta um micrômetro em milímetro centesimal:

Com base nas informações obtidas na figura, conclui-se que a leitura apresentada é:
Provas
Disciplina: Engenharia Elétrica
Banca: SELECON
Orgão: SAAE Lucas do Rio Verde-MT
Um galpão foi projetado para abrigar uma empresa de manutenção em motores elétricos e, no projeto, constam as seguintes informações:
• comprimento: 25m;
• largura: 15m;
• pé-direito: 6m;
• iluminação da atividade: 1500 lux;
• fluxo luminoso/luminária: 25.000 lúmens;
• fator de depreciação= 0,8;
• coeficiente de utilização= 0,9.
De acordo com os dados, o número aproximado de luminárias nesse projeto é:
Provas
Disciplina: Engenharia Elétrica
Banca: SELECON
Orgão: SAAE Lucas do Rio Verde-MT
O valor da frequência da corrente induzida no rotor de um motor de indução de 10 polos, que gira a 690 rpm em uma frequência de 60 Hz, é, em Hertz, aproximadamente:
Provas
Caderno Container