Foram encontradas 1.045 questões.
Provas
Para o elemento mecânico conhecido como chaveta, normalmente fabricado em aço, é correto afirmar que:
Provas
Provas
Em desenho técnico, a linha
(contínua larga)
é empregada para representar
Provas
Provas
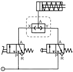
Considere o circuito pneumático abaixo.

O componente destacado pela linha tracejada é uma válvula
Provas
Sobre as escalas usuais em desenho, considere:
I. Quando o desenho for do mesmo tamanho da peça ou quando tiver as mesmas dimensões indicadas nas cotas, tem-se a escala natural, indicada por: Escala 1:1.
II. Quando o desenho de uma peça for efetuado em tamanho menor do que o tamanho da própria peça, está se usando escala de redução, indicada por: Escala 2:1.
III. Quando o desenho de uma peça for efetuado no tamanho maior do que está, está se usando escala de ampliação, indicada por: Escala 1:2.
Está correto o que consta APENAS em
Provas
Provas
Provas
Em desenho técnico, o símbolo

é empregado para representar um furo
Provas
Caderno Container