Foram encontradas 687 questões.
Provas
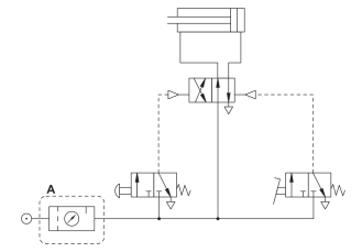
Considere a figura abaixo.

A finalidade do componente contido no invólucro tracejado A é
Provas
Provas
A tabela abaixo apresenta alguns tipos de linhas normalizadas para desenhos técnicos.

Normalmente é aplicada a linha tipo
Provas
Provas
Provas
Provas
Em relação aos elementos atuadores empregados em sistema hidráulicos, são apresentados exemplos de simbologias de conversores lineares de energia, nas três figuras abaixo.

Analisando o conteúdo exposto acima, a figura
Provas
O valor da leitura apresentada na imagem abaixo foi extraída de uma medida utilizando o relógio comparador.

A partir da ilustração, o valor da medida, em mm, é
Provas
Considere a tabela abaixo.
Defeito
I. Falta de penetração
II. Porosidade
III. Trincas
Causa
a. Velocidade de avanço elevado.
b. Ângulo incorreto de soldagem.
c. Material de soldagem inadequado.
Os defeitos I, II e III, e as causas a, b e c, referentes ao processo de soldagem TIG, apresentados na tabela, estão corretamente relacionados em:
Provas
Caderno Container