Foram encontradas 859 questões.
Suponha uma prensa hidráulica constituída de dois êmbolos. Sabe-se que uma força de intensidade !$ F_1 !$ aplicada ao êmbolo de menor diâmetro acarreta no outro êmbolo uma força de intensidade 25 !$ F_1 !$. Portanto, é correto afirmar que a razão entre o diâmetro !$ D_2 !$ do êmbolo de maior diâmetro e o diâmetro !$ D_1 !$ do êmbolo de menor diâmetro vale:
Provas
Observe a figura apresentada a seguir, referente a um sistema de controle típico, representando a característica da onda de resposta da variável a ser controlada.

O elemento representado com a letra “A” é denominado percentual de:
Provas
Disciplina: Segurança e Saúde no Trabalho (SST)
Banca: FUNCAB
Orgão: SEDAM-RO
Analise as afirmativas a seguir relativas a prescrições contidas na Norma Regulamentadora NR 10.
I. É vedado o uso de adornos pessoais nos trabalhos com instalações elétricas ou em suas proximidades.
II. Qualquer pessoa não advertida pode realizar operações elementares em circuitos elétricos de baixa-tensão, desde que os equipamentos estejam em perfeito estado.
III. Os serviços em instalações elétricas energizadas em alta-tensão somente podem ser realizados quando houver procedimentos específicos, detalhados e assinados por profissional autorizado.
Assinale a alternativa que aponta a(s) afirmativa(s) correta(s).
Provas
A potência real absorvida por um motor, alimentado por tensão de 380 V / 60 Hz, é de 3 kW, com fator de potência de 0,5. Logo, a potência aparente fornecida pela fonte de energia é de:
Provas
Disciplina: Segurança e Saúde no Trabalho (SST)
Banca: FUNCAB
Orgão: SEDAM-RO
Em todos os serviços executados em instalações elétricas, devem ser previstas e adotadas, prioritariamente, medidas de proteção coletiva aplicáveis, que garantam a segurança e a saúde dos trabalhadores. A medida prioritária é a desenergização elétrica, conforme estabelece a NR 10 do Ministério do Trabalho e Emprego. Na sua impossibilidade, deve-se empregar:
Provas
- Lógica ProposicionalConectivos LógicosConjunção "e"
- Lógica ProposicionalNegação de Proposição Simples
Analise a equação booleana e a tabela-verdade apresentada a seguir.
|
!$ Y=\overline{A\cdot B} !$ |
|
A |
B |
Y |
|
0 |
0 |
0 |
|
0 |
1 |
1 |
|
1 |
0 |
1 |
|
1 |
1 |
1 |
Esta é a equação booleana e a tabela-verdade, respectivamente, das funções lógicas:
Provas
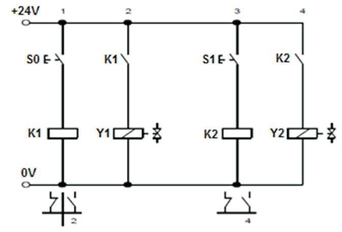
O circuito elétrico da figura abaixo foi montado para realizar-se o acionamento de um cilindro pneumático de dupla ação, por meio de uma válvula pneumática direcional, biestável, de duplo acionamento elétrico, 4/2 vias.

Sabendo-se que Y2 identifica a solenoide que, energizada, comuta a válvula e permite o recuo do cilindro, é correto afirmar que o recuo do cilindro se dará com o(a):
Provas
As bombas centrífugas de múltiplos estágios têm a finalidade de:
Provas
As máquinas de fluxo geradoras, cujo escoamento do fluido ao passar pelo rotor é predominantemente na direção radial deste, são denominadas:
Provas
Considerando a medição em um circuito elétrico de corrente contínua, é correto afirmar que:
Provas
Caderno Container