Foram encontradas 299 questões.
Observe o circuito abaixo, que Ilustra um divisor de corrente.

Para uma corrente total !$ I_t !$ no amperímetro, os valores das correntes !$ I_1 !$ e !$ I_2 !$ são determinados, respectivamente, pelas seguintes expressões:
Provas
Questão presente nas seguintes provas
O circuito apresenta a ligação de t rês cargas em formação delta ou triângulo a um sistema de potência trifásico. É também mostrado o diagrama fasorial das tensões de linha, onde a tensão entre a linha vermelha e o neutro é tomada como referência.

A tensão aplicada a qualquer carga é a tensão de linha VL e a corrente de linha é a diferença vetorial entre as duas correntes nas duas cargas ligadas a essa linha. Em particular, se as correntes de carga são iguais e têm os mesmos ângulos de fase com as tensões respectivas, o sistema é balanceado e, nesse caso, são válidas as seguintes expressões para a corrente de linha e a potência:
Provas
Questão presente nas seguintes provas
Em conformidade com a NBR 5444, que estabelece os símbolos para instalações elét ricas prediais. Nesse sentido, são utilizados para condutor de fase no interior do eletroduto, para caixa de passagem no teto e para disjuntor a seco, respectivamente, os seguintes símbolos:
Provas
Questão presente nas seguintes provas
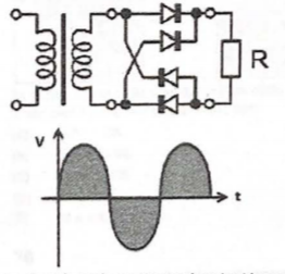
Observe o circuito abaixo e o correspondente sinal de entrada, que Ilustra uma aplicação para o diodo semicondutor.
A denominação pela qual esse circuito é conhecido e a forma de onda de saída, estão indicadas na seguinte opção de resposta:
Provas
Questão presente nas seguintes provas
Preso em flagrante regular pela prática do crime de rufianismo, previsto no artigo 230 do Código Penal, Tício é encaminhado à Delegacia de Polícia Civil no dia 7 de fevereiro de 2012. O delegado, ao lavrar o auto de prisão em flagrante, representa formalmente pela decretação da prisão preventiva, alegando, para tanto, que Tício havia sido previamente condenado pelo delito de homicídio doloso qualificado por motivo fútil, previsto no artigo 121, §2º, inciso I, do Código Penal, de maneira que o término da execução de sua pena se deu no dia 2 de fevereiro de 2007.
Com base no caso acima apresentado, assinale a afirmativa INCORRETA.
Provas
Questão presente nas seguintes provas
A respeito da prisão em flagrante, assinale a alternativa correta.
Provas
Questão presente nas seguintes provas
A respeito da notitia criminis, assinale a alternativa correta.
Provas
Questão presente nas seguintes provas
A respeito do inquérito policial, assinale a alternativa correta.
Provas
Questão presente nas seguintes provas
A respeito do reconhecimento de pessoas durante a instrução criminal, assinale a afirmativa INCORRETA.
Provas
Questão presente nas seguintes provas
Caio foi preso em flagrante pela prática do crime de roubo, previsto no artigo 157, caput, do Código Penal, por ter subtraído, mediante o emprego de violência, um cordão de ouro e um relógio das vítimas Tício e Mévio. O produto do crime foi apreendido por ordem da autoridade policial a fim de que instruísse a investigação e, posteriormente, a instrução criminal. Oferecida denúncia e instaurada a ação penal, Caio foi condenado, em primeira instância, a cinco anos de reclusão, em regime de cumprimento de pena inicialmente fechado. Ao cabo da instrução criminal, tanto Tício quanto Mévio alegavam ser proprietários de ambos os bens subtraídos, de maneira que o juiz consignou na sentença penal condenatória que não foi possível apurar devidamente a quem pertenciam o cordão de ouro e o relógio, muito embora tenham sido comprovadas a materialidade e a autoria delitivas. Apenas a defesa interpôs recurso de apelação, em que pleiteou exclusivamente a redução da pena imposta ao mínimo legal, tendo em vista ser Caio réu primário e de bons antecedentes. Com base nas informações acima expostas, assinale a alternativa correta no tocante à restituição das coisas apreendidas.
Provas
Questão presente nas seguintes provas
Cadernos
Caderno Container