Magna Concursos

Foram encontradas 520 questões.

2917096 Ano: 2022
Disciplina: Engenharia Elétrica
Banca: FUNDATEC
Orgão: SUSEPE-RS

Considere um transformador trifásico com ligação em estrela equilibrado. O engenheiro mediu a tensão de linha com um multímetro e encontrou 85V. Sabendo que a tensão de fase deveria ser de 110V, determine a queda de tensão entre fase e neutro, sem casas decimais.

 

Provas

Questão presente nas seguintes provas
2917095 Ano: 2022
Disciplina: Engenharia Elétrica
Banca: FUNDATEC
Orgão: SUSEPE-RS

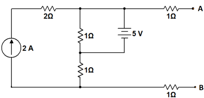
Determine o valor do equivalente de Norton (Corrente e Resistência) entre os terminas A e B para o circuito apresentado na imagem a seguir (Considere os valores com uma casa decimal):

Enunciado 3209740-1

 

Provas

Questão presente nas seguintes provas
2917094 Ano: 2022
Disciplina: Engenharia Elétrica
Banca: FUNDATEC
Orgão: SUSEPE-RS

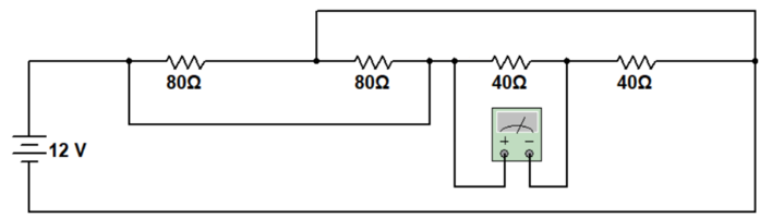
Determine a tensão lida pelo voltímetro apresentado na imagem abaixo.

Enunciado 3209739-1

 

Provas

Questão presente nas seguintes provas
2917093 Ano: 2022
Disciplina: Engenharia Elétrica
Banca: FUNDATEC
Orgão: SUSEPE-RS

Conforme NBR 5419, para o projeto de SPDA, determine a altura da haste para o para-raios Franklin. A estrutura tem 21 m de altura, 12 m de largura e 6 m de profundidade, conforme figura abaixo. Foram utilizadas duas hastes iguais no topo do prédio. Considere o nível de proteção II.

-

Enunciado 3208413-1

-

Nível de Proteção

Ângulo de Proteção (α) em graus, em função da altura da ponta do captor em relação ao solo em metros. (b)

h < 20

20 < h < 30

30 < h < 45

45 < h < 60

IV

55

45

35

25

III

45

35

25

a

II

35

25

a

a

I

25

a

a

a

 

Provas

Questão presente nas seguintes provas
2917092 Ano: 2022
Disciplina: Engenharia Elétrica
Banca: FUNDATEC
Orgão: SUSEPE-RS

Para a fonte linear com realimentação apresentada na imagem a seguir, determine a tensão na carga de 470 Ω, sabendo que o diodo Zener 1N4749A possui tensão Vz = 3,6V. Considere o Vbe do transistor 2N2222 de 0,7V.

Enunciado 3208410-1

 

Provas

Questão presente nas seguintes provas
2917091 Ano: 2022
Disciplina: Engenharia Civil
Banca: FUNDATEC
Orgão: SUSEPE-RS

As estruturas de concreto, desde sua fase de projeto e durante sua vida útil, estão sujeitas a uma série de fatores que poderão comprometer sua durabilidade e até mesmo sua estabilidade. O ataque de é um termo usado para descrever uma série de reações químicas entre íons e compostos hidratados da pasta de cimento endurecida. Estas reações deletérias são capazes de formar compostos expansíveis passíveis de gerar tensões, fragilizando e fissurando a matriz cimentícia, facilitando assim, a entrada de novos agentes agressivos. As adições minerais, por sua vez, têm apresentado inúmeros benefícios às propriedades do concreto, tanto no estado fresco quanto no estado endurecido, mitigando o aparecimento desse tipo de manifestação patológica.

Assinale a alternativa que preenche corretamente a lacuna do trecho acima.

 

Provas

Questão presente nas seguintes provas

Em relação aos termos e definições presentes na ABNT NBR 8160 – Instalações prediais de esgoto sanitário, em vigor, como se chama o fator numérico que representa a contribuição considerada em função da utilização habitual de cada tipo de aparelho sanitário?

 

Provas

Questão presente nas seguintes provas
2917089 Ano: 2022
Disciplina: Engenharia Civil
Banca: FUNDATEC
Orgão: SUSEPE-RS

“Tratam-se de depósitos cristalinos, de cor branca, que podem ser observadas nas superfícies das estruturas e que resultam da exposição do concreto à água de infiltrações ou de intempéries”. A que tipo de manifestação patológica a descrição se refere?

 

Provas

Questão presente nas seguintes provas
2917088 Ano: 2022
Disciplina: Engenharia Civil
Banca: FUNDATEC
Orgão: SUSEPE-RS

Relacione a Coluna 1 à Coluna 2, associando os termos e definições presentes na ABNT NBR 5626 – Sistemas prediais de água fria e água quente – Projeto, execução, operação e manutenção, em vigor.

Coluna 1

-

1. Barrilete.

2. Ramal.

3. Ramal predial.

4. Sub-ramal.

Coluna 2

-

( ) Tubulação da qual derivam as colunas de distribuição.

( ) Tubulação que pode ser derivada da coluna de distribuição.

( ) Tubulação compreendida entre a rede pública de abastecimento de água e a extremidade a montante do alimentador predial ou da rede predial de distribuição.

( ) Tubulação que liga o ramal ao ponto de utilização.

A ordem correta de preenchimento dos parênteses, de cima para baixo, é:

 

Provas

Questão presente nas seguintes provas
2917087 Ano: 2022
Disciplina: Engenharia Civil
Banca: FUNDATEC
Orgão: SUSEPE-RS

A Resolução nº 09/2011 determina parâmetros arquitetônicos para a acomodação de pessoas presas, especificando que “a cela individual é a menor célula possível de um estabelecimento penal. Neste cômodo devem ser previstos cama e área de higienização pessoal com pelo menos lavatório e aparelho sanitário, além da circulação”. No caso da cela acessível, as dimensões do mobiliário dos dormitórios acessíveis devem atender às condições de alcance manual e visual previstos na ABNT NBR 9050. Analise as assertivas abaixo e assinale V, se verdadeiras, ou F, se falsas.

( ) O mobiliário ser disposto de forma a não obstruir uma faixa livre mínima de circulação interna de 0,90 m de largura, prevendo área de manobras para o acesso ao sanitário, camas e armários.

( ) Deve haver pelo menos duas áreas com diâmetro de, no mínimo, 1,50 m que possibilitem um giro de 360°.

( ) A altura das camas deve ser de 0,46 m.

A ordem correta de preenchimento dos parênteses, de cima para baixo, é:

 

Provas

Questão presente nas seguintes provas