Foram encontradas 60 questões.
A tabela apresenta o planejamento da atividade X, em dias, de uma rede de atividades de uma obra.

Nesse caso, a duração e a folga previstas para a execução da atividade são, respectivamente,
Provas
Provas
Analise as proposições abaixo, relativas às características magnéticas de materiais.
I. Material que possui permeabilidade magnética maior que a do vácuo, baixa susceptibilidade magnética positiva e cujos átomos têm um momento magnético permanente.
II. Material que possui permeabilidade magnética muito maior que a do vácuo, grande susceptibilidade magnética positiva e cujos átomos têm um momento magnético permanente e estão alinhados mesmo na ausência de um campo magnético externo.
III. Material que possui permeabilidade magnética menor que a do vácuo, susceptibilidade magnética negativa e cujos átomos não produzem momento magnético permanente.
As proposições caracterizam os materiais
Provas
Provas
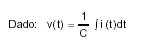
Aplica-se em um capacitor de 1μF inicialmente descarregado uma corrente elétrica definida pela expressão i(t) = 50.t. Então, a expressão da tensão no capacitor é

Provas
Provas
São padrões de tensão em uma linha telefônica:
Provas
Considere o sistema trifásico representado abaixo.

As potências ativas totais na carga com a chave aberta e fechada valem, respectivamente,

Provas
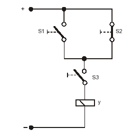
Considere o circuito abaixo.

A função lógica que representa o funcionamento do circuito de comando é
Provas
Considere as características das barras de cobre utilizadas em subestações elétricas:
Barra 1: 1" x 1/8" − 250 A
Barra 2: 1" x 1/4" − 400 A
Verifica-se que a espessura da barra 1 é metade da barra 2, mas a sua capacidade de corrente não reduz na mesma proporção. Isso se deve ao efeito
Provas
Caderno Container