Foram encontradas 120 questões.
Um cabo coaxial ideal composto por dois condutores cilíndricos concêntricos ideais infinitamente longos é utilizado em um sistema sensor de campos eletromagnéticos. O espaço entre os condutores é preenchido por dois meios dielétricos lineares, homogêneos e isotrópicos distintos, separados por uma interface cilíndrica coaxial de raio intermediário.
A partir da descrição precedente, julgue os itens a seguir.
A energia armazenada no campo elétrico no condutor cilíndrico externo pode ser expressa em função da permissividade elétrica e do quadrado do campo elétrico.
Provas
Um cabo coaxial ideal composto por dois condutores cilíndricos concêntricos ideais infinitamente longos é utilizado em um sistema sensor de campos eletromagnéticos. O espaço entre os condutores é preenchido por dois meios dielétricos lineares, homogêneos e isotrópicos distintos, separados por uma interface cilíndrica coaxial de raio intermediário.
A partir da descrição precedente, julgue os itens a seguir.
Em regime magnetostático, para o caso em tela, a lei de Ampère incluirá o termo de corrente de deslocamento.
Provas
Um cabo coaxial ideal composto por dois condutores cilíndricos concêntricos ideais infinitamente longos é utilizado em um sistema sensor de campos eletromagnéticos. O espaço entre os condutores é preenchido por dois meios dielétricos lineares, homogêneos e isotrópicos distintos, separados por uma interface cilíndrica coaxial de raio intermediário.
A partir da descrição precedente, julgue os itens a seguir.
No regime eletrostático, a densidade volumétrica de carga livre no interior do condutor interno pode assumir valores não nulos.
Provas
Um cabo coaxial ideal composto por dois condutores cilíndricos concêntricos ideais infinitamente longos é utilizado em um sistema sensor de campos eletromagnéticos. O espaço entre os condutores é preenchido por dois meios dielétricos lineares, homogêneos e isotrópicos distintos, separados por uma interface cilíndrica coaxial de raio intermediário.
A partir da descrição precedente, julgue os itens a seguir.
Na interface entre os dois dielétricos sem carga livre superficial, a componente normal do campo elétrico é contínua.
Provas
Com relação a princípios e características dos processos de conversão analógica-digital (A/D) e digital-analógica (D/A), julgue os itens a seguir.
Para que um sinal analógico limitado em banda possa ser reconstruído sem perda de informação após a conversão analógica-digital, a frequência de amostragem deve ser superior ou igual ao dobro da maior frequência presente no sinal.
Provas
Com relação a princípios e características dos processos de conversão analógica-digital (A/D) e digital-analógica (D/A), julgue os itens a seguir.
Em um conversor digital-analógico ideal com faixa de saída de 0 V a 10 V e resolução de 10 bits, a menor variação possível na tensão de saída é igual a 5 mV.
Provas
Acerca de um conversor CC-CC do tipo buck ideal que opera em modo de condução contínua (CCM), julgue o item a seguir.
A tensão média de saída é diretamente proporcional à raiz quadrada do ciclo de trabalho do interruptor.
Provas

Considerando a tabela-verdade precedente, julgue os itens a seguir.
Se a função lógica que a tabela-verdade representa for implementada com lógica NMOS estática, o circuito apresentará menor consumo de potência e menor velocidade de comutação do que se for implementado com a tecnologia CMOS.
Provas

A figura apresentada representa um amplificador com transistor bipolar (BJT) que opera em pequenos sinais (faixa média), sendo os capacitores de acoplamento ideais. Em relação a esse circuito, desprezando o efeito Early (rₒ → ∞) e considerando VCC = 15 V, VEE = −15 , IP = IE = 2 mA, β = 100, RC = 3,9 kΩ, RL = 100 kΩ e VT = 26 mV, julgue o item a seguir.
O amplificador descrito está na configuração base comum e, em pequenos sinais, apresenta impedância de entrada da ordem de 130 Ω, ganho de tensão aproximadamente igual a −50, saída defasada de 180° em relação à entrada, e ganho de corrente aproximadamente igual a 10.
Provas

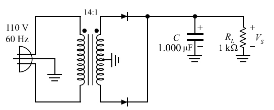
A figura precedente ilustra uma fonte de alimentação com transformador de tomada central, sendo a razão de transformação entre o primário e cada metade do secundário equivalente a 14:1. A tensão de entrada desse circuito é igual a 110 VRMS com frequência igual a 60 Hz.
Em relação ao circuito mostrado, julgue o item a seguir.
O circuito apresenta uma fonte não regulada em que o valor médio da tensão na carga (VS) é menor que 11 V.
Provas
Caderno Container