Foram encontradas 60 questões.
Um motor síncrono de 1500 CV, 600V, x’’=10% funciona a plena carga com fator de potência unitário e
tem rendimento de 89,5%. Considerando 1cv=0,736 kW, o valor da sua reatância equivale a:
Provas
Questão presente nas seguintes provas
- Instalações Elétricas
- Normas TécnicasNBRsNBR 5419: Sistema de Proteção contra Descargas Atmosféricas
Considerando-se o disposto na NBR 5419/2015, que trata sobre a Proteção Contra Descargas
Atmosféricas, avalie as seguintes afirmações:
I. a corrente da descarga atmosférica é a principal fonte de dano. As seguintes fontes são distintas pelo ponto de impacto, sendo elas: S1: descargas atmosféricas próximas à estrutura; S2: descargas atmosféricas na estrutura; S3: descargas atmosféricas na linha; S4: descargas atmosféricas perto da linha.
II. é usual distinguir entre três tipos básicos de danos os quais aparecem como consequência das descargas atmosféricas. Eles são os seguintes: D1: ferimentos aos seres vivos por choque elétrico; D2: danos físicos; D3: falhas de sistemas eletroeletrônicos.
III. cada tipo de dano, sozinho ou em combinação com outros, pode produzir diferentes perdas consequentes em uma estrutura a ser protegida. Os seguintes tipos de perdas devem ser levados em consideração: L1: perda de valores econômicos (estrutura, conteúdo, e perdas de atividades); L2: perda de patrimônio sociocultural; L3: perda de serviço ao público; L4: perda de vida humana (incluindo ferimentos permanentes).
IV. O risco, R, é um valor relativo a uma provável perda anual média. Os riscos a serem avaliados em uma estrutura são: R1: risco de perda de vida humana (incluindo ferimentos permanentes); R2: risco de perda de serviço ao público; R3: risco de perda de patrimônio cultural; R4: risco de perda de valores econômicos.
Assinale a alternativa que apresenta APENAS as afirmações CORRETAS.
I. a corrente da descarga atmosférica é a principal fonte de dano. As seguintes fontes são distintas pelo ponto de impacto, sendo elas: S1: descargas atmosféricas próximas à estrutura; S2: descargas atmosféricas na estrutura; S3: descargas atmosféricas na linha; S4: descargas atmosféricas perto da linha.
II. é usual distinguir entre três tipos básicos de danos os quais aparecem como consequência das descargas atmosféricas. Eles são os seguintes: D1: ferimentos aos seres vivos por choque elétrico; D2: danos físicos; D3: falhas de sistemas eletroeletrônicos.
III. cada tipo de dano, sozinho ou em combinação com outros, pode produzir diferentes perdas consequentes em uma estrutura a ser protegida. Os seguintes tipos de perdas devem ser levados em consideração: L1: perda de valores econômicos (estrutura, conteúdo, e perdas de atividades); L2: perda de patrimônio sociocultural; L3: perda de serviço ao público; L4: perda de vida humana (incluindo ferimentos permanentes).
IV. O risco, R, é um valor relativo a uma provável perda anual média. Os riscos a serem avaliados em uma estrutura são: R1: risco de perda de vida humana (incluindo ferimentos permanentes); R2: risco de perda de serviço ao público; R3: risco de perda de patrimônio cultural; R4: risco de perda de valores econômicos.
Assinale a alternativa que apresenta APENAS as afirmações CORRETAS.
Provas
Questão presente nas seguintes provas
De acordo com a NBR 5410 – Instalações Elétricas de Baixa Tensão, no esquema IT de aterramento,
todas as partes vivas são isoladas da terra ou um ponto de alimentação é aterrado através de
impedância. Observe a figura abaixo e assinale a alternativa que contenha corretamente a descrição
desse tipo de aterramento nas figuras 1, 2 e 3 abaixo.


Provas
Questão presente nas seguintes provas
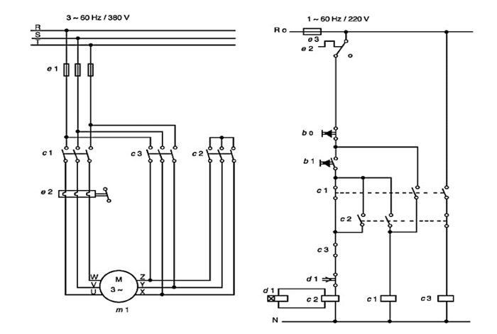
Motores trifásicos são máquinas elétricas muito difundidas na indústria, sendo utilizados nas mais
diversas etapas de processos industriais, devido, entre outros fatores, a sua economia, dimensão
reduzida e versatilidade.
Fonte: CREDER, H. Instalações elétricas. Atualização e revisão Luiz Sebastião Costa. Rio de Janeiro: LTC, 2016. p. 198.
Com base no esquema de ligação do motor trifásico abaixo, avalie as seguintes afirmações:

I. O botão de comando b1 aciona o contactor c2 e, ao mesmo tempo, o dispositivo de retardamento d1; o contato fechador de c2 atua sobre o contato de c1, fechando a bobina c1 do contactor da rede. Assim, o motor parte em estrela.
II. Decorrido o tempo de retardamento, o contato abridor d1 opera, e o contactor c2 é desligado. Quando o contato abridor de c3 abre, fecha o contactor c2, pois o contato fechador de c1 já estava fechado quando c1 ligou. O motor opera em triângulo.
III. Se quisermos parar o motor, acionamos o botão b0, interrompendo o contactor de rede c3. O contato fechador de c1 abre-se e aciona o dispositivo de retardamento d1; o contactor é desligado, e o motor para.
IV. O comando elétrico do esquema de ligação não realiza o acionamento dos contactores c1, c2 e c3 ao mesmo tempo.
Assinale a alternativa que apresenta APENAS as afirmações CORRETAS.
Fonte: CREDER, H. Instalações elétricas. Atualização e revisão Luiz Sebastião Costa. Rio de Janeiro: LTC, 2016. p. 198.
Com base no esquema de ligação do motor trifásico abaixo, avalie as seguintes afirmações:

I. O botão de comando b1 aciona o contactor c2 e, ao mesmo tempo, o dispositivo de retardamento d1; o contato fechador de c2 atua sobre o contato de c1, fechando a bobina c1 do contactor da rede. Assim, o motor parte em estrela.
II. Decorrido o tempo de retardamento, o contato abridor d1 opera, e o contactor c2 é desligado. Quando o contato abridor de c3 abre, fecha o contactor c2, pois o contato fechador de c1 já estava fechado quando c1 ligou. O motor opera em triângulo.
III. Se quisermos parar o motor, acionamos o botão b0, interrompendo o contactor de rede c3. O contato fechador de c1 abre-se e aciona o dispositivo de retardamento d1; o contactor é desligado, e o motor para.
IV. O comando elétrico do esquema de ligação não realiza o acionamento dos contactores c1, c2 e c3 ao mesmo tempo.
Assinale a alternativa que apresenta APENAS as afirmações CORRETAS.
Provas
Questão presente nas seguintes provas
- Transformadores e Máquinas ElétricasMáquinas EstáticasTransformador de Corrente
- Transformadores e Máquinas ElétricasMáquinas EstáticasTransformador de Potência
Os valores ôhmicos dos parâmetros do circuito de um transformador, tendo uma razão de espiras a=5,
são R1=0,5 Ω; X1 = 3,2 Ω para o primário e R2=0,021 Ω e X2 = 0,12 Ω para o secundário. Considerando
o circuito equivalente aproximado do transformador referido ao primário, quais os valores numéricos de
resistência R’ e reatância X’ referidas ao primário?
Provas
Questão presente nas seguintes provas
- Instalações ElétricasEquipamentos em Baixa Tensão
- Sistemas Elétricos de PotênciaAnálise de SEPFluxo de Potência, Estabilidade e Regulação
Considere uma instalação de 80kW que tenha um fator de potência médio igual a 80% e se queira
corrigi-lo para 95%. Qual a potência reativa a ser instalada para se obter o resultado desejado?
Provas
Questão presente nas seguintes provas
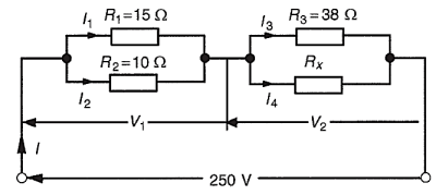
A análise de consumo, segundo a configuração de cargas em circuitos elétricos, é um aspecto
fundamental para o dimensionamento de proteções e capacidade da instalação. Para o circuito
mostrado na figura abaixo, sabe-se que a potência total dissipada no mesmo é 2,5kW.

Fonte: BIRD, J. Electrical Circuit: Theory and Technology. 6th ed. New York: Routledge, 2017. Adaptada.
Qual é o valor da resistência Rx no circuito em questão?

Fonte: BIRD, J. Electrical Circuit: Theory and Technology. 6th ed. New York: Routledge, 2017. Adaptada.
Qual é o valor da resistência Rx no circuito em questão?
Provas
Questão presente nas seguintes provas
Noções gerais de sistemas elétricos de potências são ferramentas necessárias para o desenvolvimento
e a interpretação de projetos elétricos.
Fonte: AILSON, P. M. MOURA, A. A. F. ROCHA, E. P. R. Engenharia de sistemas de potência. Artliber: 2018. (Adaptado).
Avalie as seguintes afirmações que tratam de fundamentos de sistemas elétricos de potência:
I. As equações básicas são obtidas impondo-se a conservação da potência ativa em cada barra do sistema. Para a potência reativa esse princípio pode ser utilizado em razão da possibilidade da existência de capacitores em conexão shunt.
II. Uma grande dificuldade a ser superada é a determinação do modelo matemático de todo o sistema elétrico, pois os modelos individuais não podem ser utilizados.
III. Um sistema elétrico não pode ter somente barras do tipo PQ e de referência.
IV. Um sistema elétrico não pode ter mais de uma barra de referência.
V. Os resultados obtidos com a carga pesada dispensam aqueles obtidos para os outros patamares de carga.
VI. É possível igualar as potências complexas nos dois lados de um transformador, quando se incluem os tapes fora do nominal na matriz de admitâncias.
Assinale a alternativa que apresenta APENAS as afirmações CORRETAS.
Fonte: AILSON, P. M. MOURA, A. A. F. ROCHA, E. P. R. Engenharia de sistemas de potência. Artliber: 2018. (Adaptado).
Avalie as seguintes afirmações que tratam de fundamentos de sistemas elétricos de potência:
I. As equações básicas são obtidas impondo-se a conservação da potência ativa em cada barra do sistema. Para a potência reativa esse princípio pode ser utilizado em razão da possibilidade da existência de capacitores em conexão shunt.
II. Uma grande dificuldade a ser superada é a determinação do modelo matemático de todo o sistema elétrico, pois os modelos individuais não podem ser utilizados.
III. Um sistema elétrico não pode ter somente barras do tipo PQ e de referência.
IV. Um sistema elétrico não pode ter mais de uma barra de referência.
V. Os resultados obtidos com a carga pesada dispensam aqueles obtidos para os outros patamares de carga.
VI. É possível igualar as potências complexas nos dois lados de um transformador, quando se incluem os tapes fora do nominal na matriz de admitâncias.
Assinale a alternativa que apresenta APENAS as afirmações CORRETAS.
Provas
Questão presente nas seguintes provas
O uso do nobreak é indispensável quando o suprimento ininterrupto de energia elétrica é de importância
vital. Em todos os locais onde é processada, eletronicamente, uma grande quantidade de dados, como,
por exemplo, em bancos, companhias seguradoras, companhias de aviação e na administração pública,
uma pequena interrupção no suprimento de energia elétrica pode conduzir a interrupções no programa,
à perda de dados e a outras falhas. Sendo assim, um sistema nobreak é composto basicamente por
alguns componentes importantes, sendo eles:
Provas
Questão presente nas seguintes provas
2931494
Ano: 2023
Disciplina: Segurança e Saúde no Trabalho (SST)
Banca: NUCEPE
Orgão: UESPI
Disciplina: Segurança e Saúde no Trabalho (SST)
Banca: NUCEPE
Orgão: UESPI
Provas:
De acordo com a Norma Regulamentadora n° 10 (NR-10), que trata da Segurança em Instalações e
Serviços em Eletricidade, o estado de instalação desenergizada deve ser mantido até a autorização
para reenergização, devendo ser reenergizada respeitando uma determinada sequência de
procedimentos.
Avalie os procedimentos descritos abaixo e assinale a alternativa que apresenta APENAS a sequência correta destes, conforme descrito na NR-10.
[ ] remoção do aterramento temporário, da equipotencialização e das proteções adicionais;
[ ] retirada das ferramentas, utensílios e equipamentos;
[ ] destravamento, se houver, e religação dos dispositivos de seccionamento;
[ ] retirada da zona controlada de todos os trabalhadores não envolvidos no processo de reenergização;
[ ] remoção da sinalização de impedimento de reenergização.
Avalie os procedimentos descritos abaixo e assinale a alternativa que apresenta APENAS a sequência correta destes, conforme descrito na NR-10.
[ ] remoção do aterramento temporário, da equipotencialização e das proteções adicionais;
[ ] retirada das ferramentas, utensílios e equipamentos;
[ ] destravamento, se houver, e religação dos dispositivos de seccionamento;
[ ] retirada da zona controlada de todos os trabalhadores não envolvidos no processo de reenergização;
[ ] remoção da sinalização de impedimento de reenergização.
Provas
Questão presente nas seguintes provas
Cadernos
Caderno Container