Magna Concursos

Foram encontradas 1.460 questões.

2896695 Ano: 2023
Disciplina: Engenharia Elétrica
Banca: VUNESP
Orgão: UNICAMP
Provas:

As instalações de geração, distribuição e utilização de energia elétrica em média tensão são regidas por normas, como a NBR 14039. Seguindo essas normas, os dispositivos fusíveis limitadores de corrente e os dispositivos fusíveis do tipo expulsão, desde que corretamente dimensionados e instalados, garantem

 

Provas

Questão presente nas seguintes provas
2896694 Ano: 2023
Disciplina: Engenharia Elétrica
Banca: VUNESP
Orgão: UNICAMP
Provas:

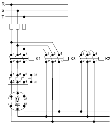
A figura a seguir mostra o diagrama de força de uma forma clássica de partida de motores com corrente reduzida.

Enunciado 3161106-1

Trata-se da partida

 

Provas

Questão presente nas seguintes provas
2896693 Ano: 2023
Disciplina: Engenharia Elétrica
Banca: VUNESP
Orgão: UNICAMP
Provas:

Um projetista está finalizando um projeto de instalações residenciais. Seu projeto conta com 15 circuitos. Ele precisa agora especificar o quadro de distribuição. O fabricante fornece quadros com espaço para 2n circuitos, sendo n um inteiro. Na especificação, ele precisa prever o espaço de reserva recomendado por norma. Sendo assim, qual valor de n ele deve escolher?

 

Provas

Questão presente nas seguintes provas
2896692 Ano: 2023
Disciplina: Engenharia Elétrica
Banca: VUNESP
Orgão: UNICAMP
Provas:

Uma carga equilibrada é composta por impedâncias de !$ 120 \angle 30º \Omega !$ ligadas em triângulo e alimentadas por tensão de fase de 200 V eficazes. Assim, o módulo da potência complexa trifásica consumida pela carga é

 

Provas

Questão presente nas seguintes provas
2896691 Ano: 2023
Disciplina: Engenharia Elétrica
Banca: VUNESP
Orgão: UNICAMP
Provas:

Uma unidade consumidora industrial consome, num dado mês, 60 MWh com um fator de potência indutivo médio 0,8. O valor da tarifa de energia para este consumidor é de 200 R$/MWh. O valor a ser pago correspondente à energia elétrica reativa excedente por este consumidor é

 

Provas

Questão presente nas seguintes provas
2896690 Ano: 2023
Disciplina: Engenharia Elétrica
Banca: VUNESP
Orgão: UNICAMP
Provas:

No dimensionamento de dispositivos destinados a prover proteção contra correntes de curto-circuito, um dos pontos a serem levados em conta é que a integral de Joule que o dispositivo deixa passar deve ser inferior ou igual à integral de Joule necessária para aquecer o condutor desde a temperatura máxima para serviço contínuo até a temperatura limite de curto-circuito.

Essa condição é expressa de forma aproximada por !$ l^2 t\le K^2S^2 !$, em que I é o valor eficaz da corrente de curto- -circuito, em ampères, t é a duração do curto-circuito, em segundos, S é a seção do condutor, em milímetros quadrados e k uma constante que depende do material do condutor.

Sendo assim, o tempo máximo em que um fusível deve aturar, para um condutor de 50 mm2 e k = 100 para uma corrente de curto-circuito presumível de 6 kA é, aproximadamente,

 

Provas

Questão presente nas seguintes provas
2896689 Ano: 2023
Disciplina: Engenharia Elétrica
Banca: VUNESP
Orgão: UNICAMP
Provas:

Um projetista precisa determinar a seção mínima dos condutores a serem utilizados em um trecho de circuito bifásico em 220 V usando o critério do limite da queda de tensão. Para o trecho em questão, a queda de tensão deve ser inferior a 5% e a carga de projeto a ser alimentada é de 20 kVA. O trecho tem comprimento de 15 m e a resistividade do cobre a ser utilizado é aproximadamente !$ 0,02 \Omega ⋅ mm^2/m !$.

As alternativas a seguir mostram seções nominais em mm2 dos condutores disponíveis para o projetista. Assinale a que apresenta a seção mínima do condutor a ser utilizado pelo critério do limite da queda de tensão.

 

Provas

Questão presente nas seguintes provas
2896688 Ano: 2023
Disciplina: Engenharia Elétrica
Banca: VUNESP
Orgão: UNICAMP
Provas:

Um projetista está elaborando o projeto de instalação elétricas de um imóvel residencial e está estudando o uso dos pontos de alimentação. Alguns desses pontos deverão alimentar de modo exclusivo cargas de maior potência, sempre em 127 V. Pelas normas brasileiras, qual a mínima potência que uma carga deve ter de forma a que seu ponto de alimentação deva constituir um circuito independente?

 

Provas

Questão presente nas seguintes provas
2896687 Ano: 2023
Disciplina: Engenharia Elétrica
Banca: VUNESP
Orgão: UNICAMP
Provas:

Na reforma de um apartamento, está se refazendo o projeto de instalações elétricas de uma cozinha, seguindo-se as normas brasileiras. A cozinha em questão tem forma quadrada com lado de 6 m. Qual deve ser o número mínimo de pontos de tomada que deve ser previsto para esse ambiente?

 

Provas

Questão presente nas seguintes provas
2896686 Ano: 2023
Disciplina: Engenharia Elétrica
Banca: VUNESP
Orgão: UNICAMP
Provas:

Deseja-se projetar a iluminação de um cômodo de 4 m de comprimento por 8 m de largura pelo método dos lumens. A iluminância média no plano de trabalho deve ser 500 lx. Serão usadas lâmpadas LED com fluxo luminoso de 5000 lm cada e luminárias com 2 lâmpadas, coeficiente de utilização u = 0,50 e coeficiente de manutenção d = 0,80. Nestas condições, quantas luminárias serão previstas?

 

Provas

Questão presente nas seguintes provas