Foram encontradas 1.085 questões.
Sobre as condições de acessibilidade a edificações, mobiliário, espaços e equipamentos urbanos, nas áreas de resgate de cada pavimento, deve ser previsto no mínimo um espaço reservado à P.C.R. (pessoas em cadeiras de rodas) a cada_______ pessoas de sua lotação, sendo no mínimo________ espaço( s) para cada escada e elevador de emergência.
As lacunas são, correta e respectivamente, preenchidas por:
Provas
Sobre as condições de acessibilidade a edificações, mobiliário, espaços e equipamentos urbanos, o espaço livre de obstáculos, correspondente no mínimo a um módulo de referência, a ser utilizado para transferência por pessoa com deficiência ou mobilidade reduzida, observando as áreas de circulação e manobra, denomina-se área de
Provas
Em um edifício foi necessário realizar uma instalação hidráulica de água fria do ponto A à jusante ao ponto B à montante, com 26,0 m de tubulação e com as seguintes peças hidráulicas:

Considerando que a pressão no ponto A é 16,00 mca e a perda de carga unitária é 0,02 m/m, a pressão disponível no ponto B é
Provas
No dimensionamento do sistema predial de água fria potável, deve ser considerada, para a definição da capacidade total de reservação de água potável, a frequência e duração de eventuais interrupções do abastecimento. O volume total de água potável armazenada no reservatório deve ser limitado a um valor que assegure a sua potabilidade dentro do período de detenção médio, sob utilização normal, de modo a evitar a redução excessiva da ação residual do agente desinfetante. Na impossibilidade de determinar o volume máximo permissível, recomenda- se prever meios que assegurem a preservação das características da água potável ou limitar o volume total ao valor que corresponda a
Provas
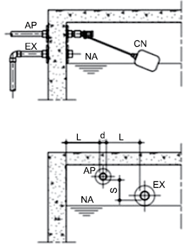
No dimensionamento das tubulações do sistema de distribuição de água, devem ser tomadas medidas de proteção contra o refluxo de água considerada servida, não potável, ou de qualidade desconhecida, para preservar a qualidade da água da fonte de abastecimento nos pontos de suprimento e de utilização dos Sistemas Prediais de Água Fria e Água Quente (SPAFAQ). A separação atmosférica padronizada constitui o recurso mais efetivo de prevenção ao refluxo. Para tanto, considere a figura a seguir sobre a separação atmosférica padronizada em um reservatório inferior:

Separação atmosférica padronizada em um reservatório inferior
Legenda:
AP – alimentador predial
CN – dispositivo automático de controle de nível
EX – extravasor
NA – nível d’água (máximo)
d – diâmetro interno do tubo a montante do ponto de suprimento ou de utilização
L – distância mínima entre o ponto de suprimento ou de utilização e qualquer obstáculo periférico (L ≥ 3d)
S – separação atmosférica mínima
A separação atmosférica mínima (s), para tubos de diâmetro interno (d) a montante do ponto de suprimento ou de utilização ≤ 14 mm, é
Provas
Em qualquer ponto do sistema de distribuição, excetuados os trechos verticais de tomada d’água nas saídas de reservatórios elevados para os respectivos barriletes em sistemas indiretos, a pressão dinâmica da água não pode ser inferior a
Provas
Sobre o abastecimento, reservação e distribuição de água, sabe-se que as tubulações devem ser dimensionadas de modo a limitar a velocidade de escoamento a valores que evitem golpes de aríete com intensidades prejudiciais aos componentes. Pelo exposto, as tubulações são dimensionadas de modo que a velocidade da água, em qualquer trecho da tubulação, não atinja valores superiores a
Provas
Nos projetos dos sistemas prediais de água fria e água quente, para qualquer tipo de edifício, a pressão estática nos pontos de utilização não pode superar
Provas
Em edifícios hospitalares, nos locais do grupo 2, como salas de cirurgia, não importando o porte, a resistência medida entre o barramento de equipotencialização, de um lado, e qualquer elemento condutivo de outro lado, não deve ser superior a
Provas
Em edifícios hospitalares, os circuitos que sirvam locais dos grupos 1 e 2, como salas para diálise e hemodiálise e salas de parto cirúrgico, respectivamente, devem contar com fonte de segurança nas condições especificadas em norma técnica vigente. Se a tensão de um ou mais condutores, no quadro de distribuição principal, sofrer uma queda superior a
Provas
Caderno Container