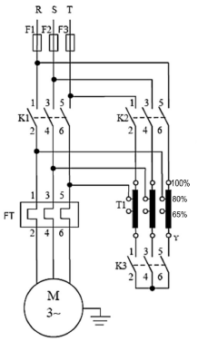
Na indústria moderna, diferentes processos produtivos precisam ser automatizados diariamente, possibilitando, por exemplo, comandar máquinas à distância, acionar vários motores em sequência etc. Neste sentindo, o estudo de acionamento de máquinas, em especial os motores elétricos de indução, merece destaque. Sobre o circuito de acionamento apresentado na Figura 06, analise as assertivas a seguir.
Figura 06 – Acionamento de motores trifásicos

I- Trata-se de um circuito de comando para uma partida direta de um motor trifásico.
II- Corresponde ao circuito de força de uma clássica partida indireta de um motor trifásico, denominada partida compensadora.
III- O elemento do circuito T1 é um autotransformador que tem a função de reduzir a tensão de partida do motor e é indicado para o acionamento com carga, quando a potência mecânica é mais elevada.
IV- O circuito de força apresentado é a partida estrela triângulo, que permite a diminuição da corrente na partida do motor, devido ao fechamento de suas bobinas inicialmente em triângulo.
É CORRETO o que se afirma apenas em: