
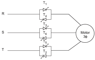
No acionamento de máquinas de indução, estão disponíveis várias tecnologias com objetivos diversos. Entre eles, situa-se a redução da corrente de partida de motores de elevada potência através da diminuição da tensão de alimentação de maneira controlada, com o auxílio de conversores estáticos de potência (CEP). A figura acima apresenta o circuito simplificado de partida de um motor trifásico conectado em Y, acionado através de um CEP, onde, através da variação de !$ alpha !$, ângulo de disparo dos tiristores Tk (k =1, 2, ..., 6), a tensão, nos terminais da máquina, pode ser controlada. O conversor é alimentado por uma tensão trifásica e equilibrada de fases R, S e T. Nesse contexto, o circuito acima representa o acionamento do motor através de um(a)